lemon-mirror:
Home >> Toyota >> 2007 >> Land Cruiser >> Repair and Diagnosis >> Electrical >> Body Electrical >> OEM System Circuits >> Cruise Control >> Notes

Cruise Control: Notes

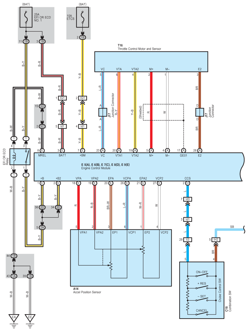
Fig 1: Cruise Control System Wiring Diagram (1 Of 3)
G08783405Courtesy of © TOYOTA, LICENSE AGREEMENT TMS1002
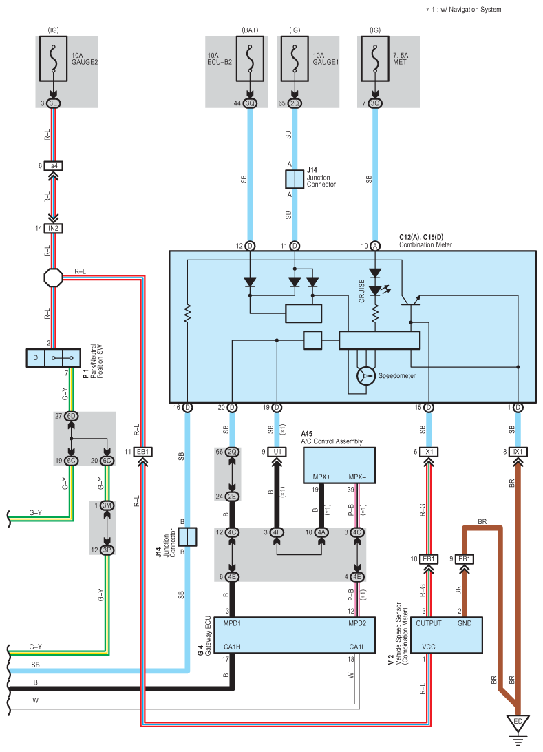
Fig 2: Cruise Control System Wiring Diagram (2 Of 3)
G08783406Courtesy of © TOYOTA, LICENSE AGREEMENT TMS1002
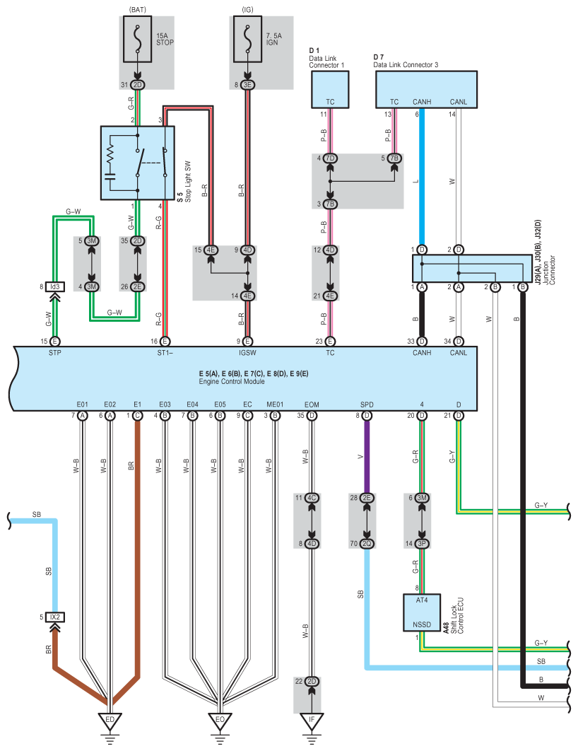
Fig 3: Cruise Control System Wiring Diagram (3 Of 3)
G08783407Courtesy of © TOYOTA, LICENSE AGREEMENT TMS1002