lemon-mirror:
Home >> Toyota >> 2007 >> Land Cruiser >> Repair and Diagnosis >> Electrical >> Body Electrical >> OEM System Circuits >> Mirror Heater >> Notes

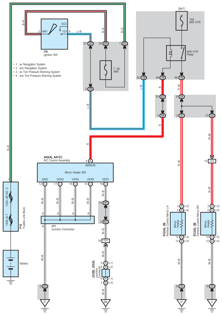
Mirror Heater: Notes

Fig 1: Mirror Heater System Wiring Diagram
G08783467Courtesy of © TOYOTA, LICENSE AGREEMENT TMS1002