lemon-mirror:
Home >> Toyota >> 2007 >> Land Cruiser >> Repair and Diagnosis >> Electrical >> Body Electrical >> OEM System Circuits >> Trailer Towing >> Notes

Trailer Towing: Notes

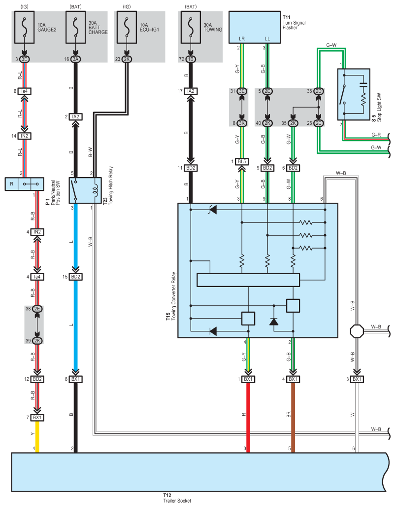
Fig 1: Trailer Towing System Wiring Diagram (1 Of 2)
G08783363Courtesy of © TOYOTA, LICENSE AGREEMENT TMS1002
Fig 2: Trailer Towing System Wiring Diagram (2 Of 2)
G08783364Courtesy of © TOYOTA, LICENSE AGREEMENT TMS1002