lemon-mirror:
Home >> Toyota >> 2007 >> Matrix Base, Automatic >> Repair and Diagnosis >> Electrical >> Body Electrical >> OEM System Circuits >> Electronically Controlled Transmission >> Notes

Electronically Controlled Transmission: Notes

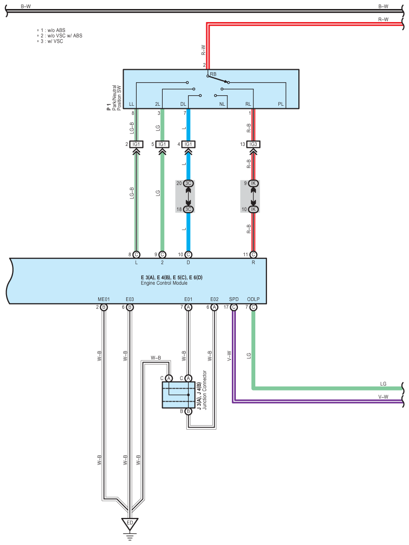
Fig 1: Electronically Controlled Transmission System Wiring Diagram (1 Of 4)
G08790416Courtesy of © TOYOTA, LICENSE AGREEMENT TMS1002
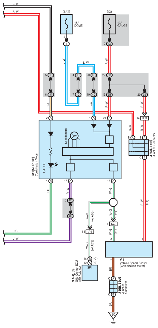
Fig 2: Electronically Controlled Transmission System Wiring Diagram (2 Of 4)
G08790417Courtesy of © TOYOTA, LICENSE AGREEMENT TMS1002
Fig 3: Electronically Controlled Transmission System Wiring Diagram (3 Of 4)
G08790418Courtesy of © TOYOTA, LICENSE AGREEMENT TMS1002
Fig 4: Electronically Controlled Transmission System Wiring Diagram (4 Of 4)
G08790419Courtesy of © TOYOTA, LICENSE AGREEMENT TMS1002