lemon-mirror:
Home >> Toyota >> 2007 >> Matrix Base, Automatic >> Repair and Diagnosis >> Electrical >> Body Electrical >> OEM System Circuits >> Front Fog Light >> Notes

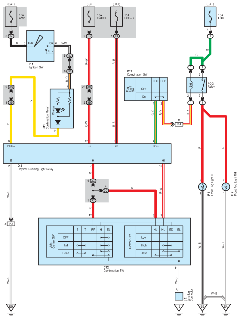
Front Fog Light: Notes

Fig 1: Front Fog Light System Wiring Diagram
G08790380Courtesy of © TOYOTA, LICENSE AGREEMENT TMS1002