lemon-mirror:
Home >> Toyota >> 2007 >> Matrix Base, Automatic >> Repair and Diagnosis >> Electrical >> Body Electrical >> OEM System Circuits >> Key Reminder and Light Reminder >> Notes

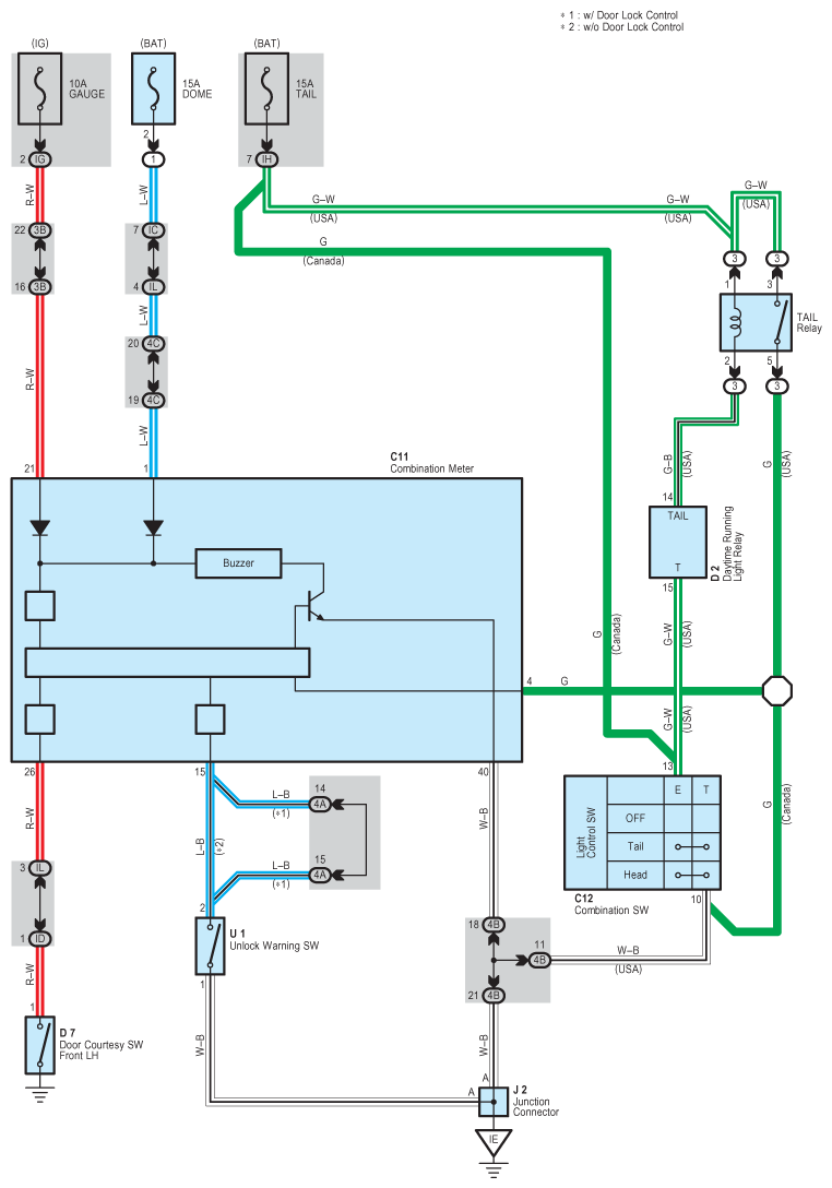
Key Reminder and Light Reminder: Notes

Fig 1: Key Reminder And Light Reminder System Wiring Diagram
G08790437Courtesy of © TOYOTA, LICENSE AGREEMENT TMS1002