lemon-mirror:
Home >> Toyota >> 2007 >> Matrix Base, Automatic >> Repair and Diagnosis >> Electrical >> Body Electrical >> OEM System Circuits >> Moon Roof >> Notes

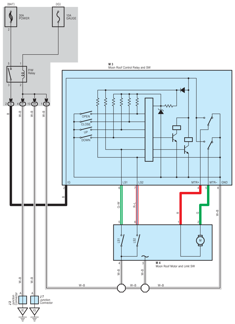
Moon Roof: Notes

Fig 1: Moon Roof System Wiring Diagram
G08790415Courtesy of © TOYOTA, LICENSE AGREEMENT TMS1002