lemon-mirror:
Home >> Toyota >> 2007 >> Matrix Base, Automatic >> Repair and Diagnosis >> Electrical >> Body Electrical >> OEM System Circuits >> Rear Wiper and Washer >> Notes

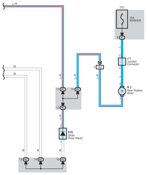
Rear Wiper and Washer: Notes

Fig 1: Rear Wiper And Washer System Wiring Diagram (1 Of 2)
G08790392Courtesy of © TOYOTA, LICENSE AGREEMENT TMS1002
Fig 2: Rear Wiper And Washer System Wiring Diagram (2 Of 2)
G08790393Courtesy of © TOYOTA, LICENSE AGREEMENT TMS1002