lemon-mirror:
Home >> Toyota >> 2007 >> Prius Base >> Repair and Diagnosis >> Electrical >> Body Electrical >> OEM System Circuits >> Front Wiper And Washer >> Notes

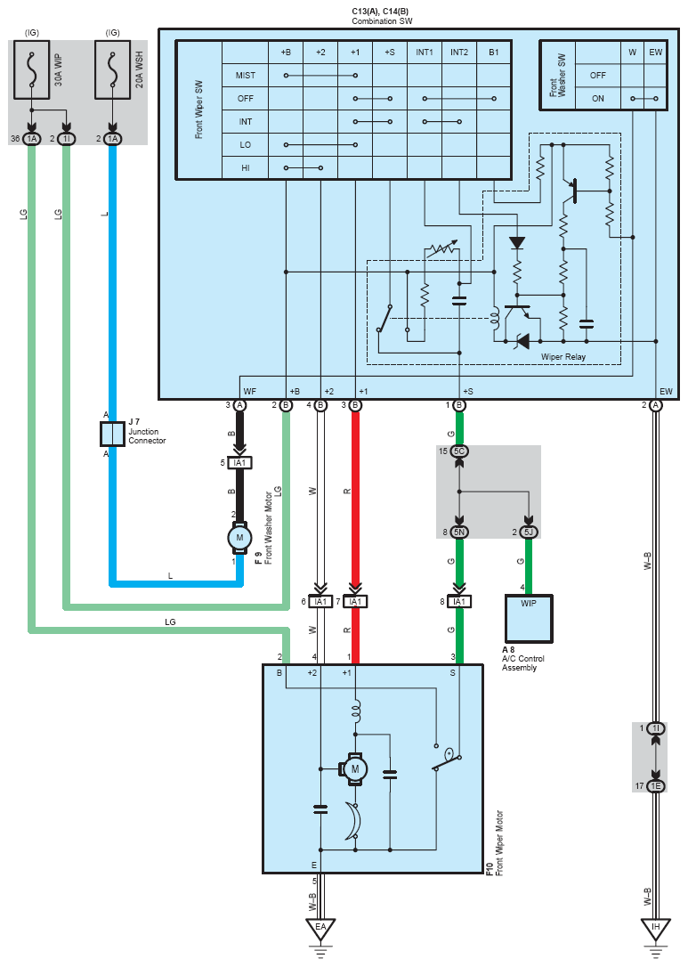
Front Wiper And Washer: Notes

Fig 1: Front wiper and washer system wiring diagram
G08866074Courtesy of © TOYOTA, LICENSE AGREEMENT TMS1002