lemon-mirror:
Home >> Toyota >> 2007 >> Prius Base >> Repair and Diagnosis >> Electrical >> Body Electrical >> OEM System Circuits >> Key Reminder >> Notes

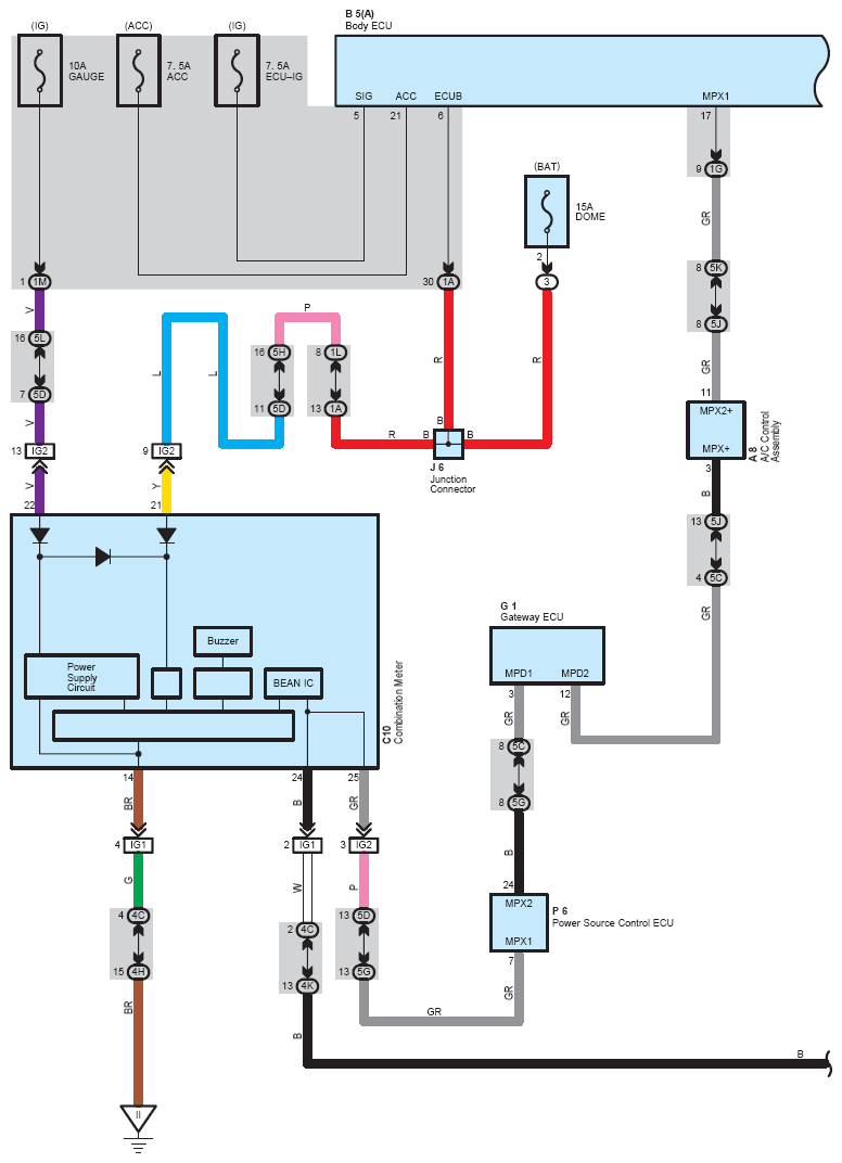
Key Reminder: Notes

Fig 1: Key reminder system wiring diagram (1 of 2)
G08866071Courtesy of © TOYOTA, LICENSE AGREEMENT TMS1002
Fig 2: Key reminder system wiring diagram (2 of 2)
G08866072Courtesy of © TOYOTA, LICENSE AGREEMENT TMS1002