lemon-mirror:
Home >> Toyota >> 2007 >> Prius Base >> Repair and Diagnosis >> Electrical >> Body Electrical >> OEM System Circuits >> Power Source >> Notes

Power Source: Notes

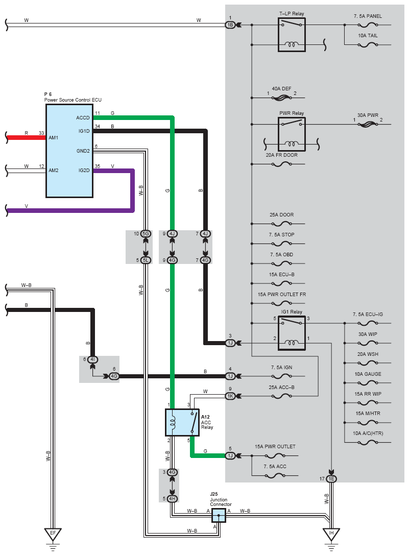
Fig 1: Power source system wiring diagram (1 of 3)
G08865989Courtesy of © TOYOTA, LICENSE AGREEMENT TMS1002
Fig 2: Power source system wiring diagram (2 of 3)
G08865990Courtesy of © TOYOTA, LICENSE AGREEMENT TMS1002
Fig 3: Power source system wiring diagram (3 of 3)
G08865991Courtesy of © TOYOTA, LICENSE AGREEMENT TMS1002