lemon-mirror:
Home >> Toyota >> 2007 >> Prius Base >> Repair and Diagnosis >> Electrical >> Body Electrical >> OEM System Circuits >> Wireless Door Lock Control Without Smart Key System >> Notes

Wireless Door Lock Control Without Smart Key System: Notes

Fig 1: Wireless door lock control without smart key system wiring diagram (1 of 5)
G08866095Courtesy of © TOYOTA, LICENSE AGREEMENT TMS1002
Fig 2: Wireless door lock control without smart key system wiring diagram (2 of 5)
G08866096Courtesy of © TOYOTA, LICENSE AGREEMENT TMS1002
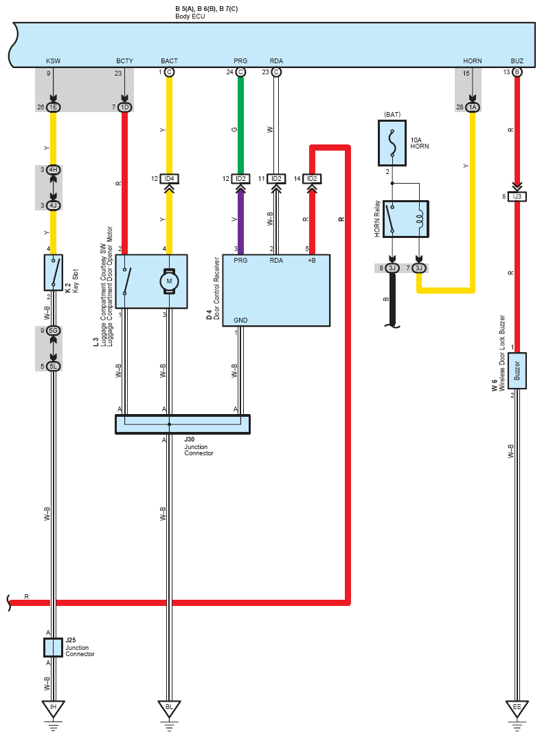
Fig 3: Wireless door lock control without smart key system wiring diagram (3 of 5)
G08866097Courtesy of © TOYOTA, LICENSE AGREEMENT TMS1002
Fig 4: Wireless door lock control without smart key system wiring diagram (4 of 5)
G08866098Courtesy of © TOYOTA, LICENSE AGREEMENT TMS1002
Fig 5: Wireless door lock control without smart key system wiring diagram (5 of 5)
G08866099Courtesy of © TOYOTA, LICENSE AGREEMENT TMS1002