lemon-mirror:
Home >> Toyota >> 2008 >> Avalon XLS >> Repair and Diagnosis >> Electrical >> Body Electrical >> OEM System Circuits >> ABS System without VSC >> Notes

ABS System without VSC: Notes

Fig 1: ABS Without VSC - Circuit Diagram (1 Of 4)
G07616531Courtesy of © TOYOTA, LICENSE AGREEMENT TMS1002
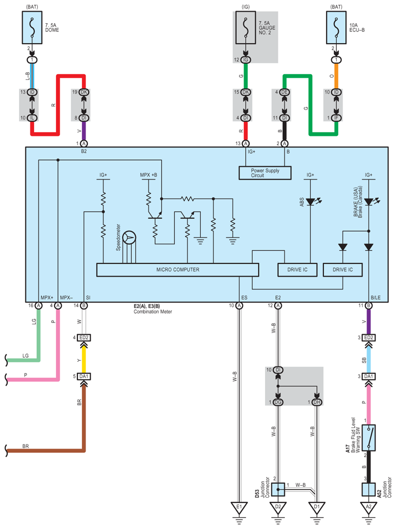
Fig 2: ABS Without VSC - Circuit Diagram (2 Of 4)
G07616532Courtesy of © TOYOTA, LICENSE AGREEMENT TMS1002
Fig 3: ABS Without VSC - Circuit Diagram (3 Of 4)
G07616533Courtesy of © TOYOTA, LICENSE AGREEMENT TMS1002
Fig 4: ABS Without VSC - Circuit Diagram (4 Of 4)
G07616534Courtesy of © TOYOTA, LICENSE AGREEMENT TMS1002