lemon-mirror:
Home >> Toyota >> 2008 >> Avalon XLS >> Repair and Diagnosis >> Electrical >> Body Electrical >> OEM System Circuits >> Automatic Light Control System >> Notes

Automatic Light Control System: Notes

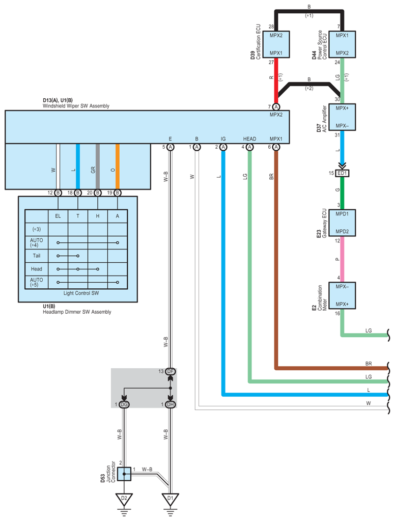
Fig 1: Automatic Light Control - Circuit Diagram (1 Of 3)
G07616439Courtesy of © TOYOTA, LICENSE AGREEMENT TMS1002
Fig 2: Automatic Light Control - Circuit Diagram (2 Of 3)
G07616440Courtesy of © TOYOTA, LICENSE AGREEMENT TMS1002
Fig 3: Automatic Light Control - Circuit Diagram (3 Of 3)
G07616441Courtesy of © TOYOTA, LICENSE AGREEMENT TMS1002