lemon-mirror:
Home >> Toyota >> 2008 >> Avalon XLS >> Repair and Diagnosis >> Electrical >> Body Electrical >> OEM System Circuits >> ECT and A/T Indicator System >> Notes

ECT and A/T Indicator System: Notes

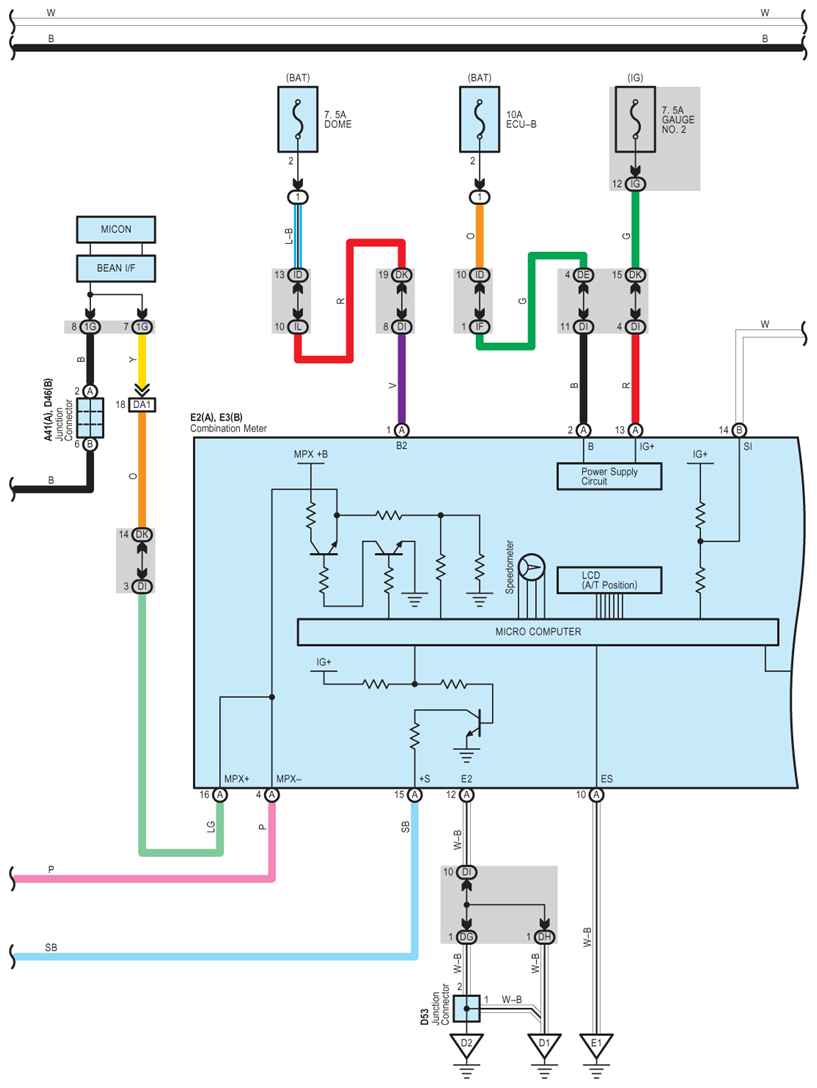
Fig 1: ECT And A/T Indicator - Circuit Diagram (1 Of 10)
G07616566Courtesy of © TOYOTA, LICENSE AGREEMENT TMS1002
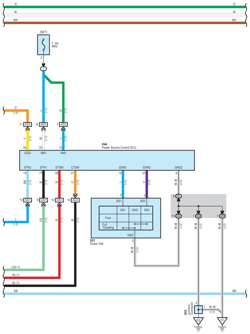
Fig 2: ECT And A/T Indicator - Circuit Diagram (2 Of 10)
G07616567Courtesy of © TOYOTA, LICENSE AGREEMENT TMS1002
Fig 3: ECT And A/T Indicator - Circuit Diagram (3 Of 10)
G07616568Courtesy of © TOYOTA, LICENSE AGREEMENT TMS1002
Fig 4: ECT And A/T Indicator - Circuit Diagram (4 Of 10)
G07616569Courtesy of © TOYOTA, LICENSE AGREEMENT TMS1002
Fig 5: ECT And A/T Indicator - Circuit Diagram (5 Of 10)
G07616570Courtesy of © TOYOTA, LICENSE AGREEMENT TMS1002
Fig 6: ECT And A/T Indicator - Circuit Diagram (6 Of 10)
G07616571Courtesy of © TOYOTA, LICENSE AGREEMENT TMS1002
Fig 7: ECT And A/T Indicator - Circuit Diagram (7 Of 10)
G07616572Courtesy of © TOYOTA, LICENSE AGREEMENT TMS1002
Fig 8: ECT And A/T Indicator - Circuit Diagram (8 Of 10)
G07616573Courtesy of © TOYOTA, LICENSE AGREEMENT TMS1002
Fig 9: ECT And A/T Indicator - Circuit Diagram (9 Of 10)
G07616574Courtesy of © TOYOTA, LICENSE AGREEMENT TMS1002
Fig 10: ECT And A/T Indicator - Circuit Diagram (10 Of 10)
G07616575Courtesy of © TOYOTA, LICENSE AGREEMENT TMS1002