lemon-mirror:
Home >> Toyota >> 2008 >> Avalon XLS >> Repair and Diagnosis >> Electrical >> Body Electrical >> OEM System Circuits >> Headlight Beam Level Control System >> Notes

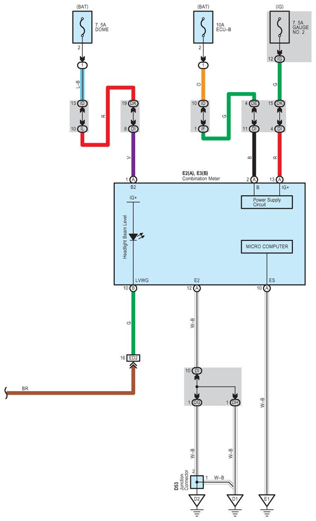
Headlight Beam Level Control System: Notes

Fig 1: Headlight Beam Level Control - Circuit Diagram (1 Of 3)
G07616446Courtesy of © TOYOTA, LICENSE AGREEMENT TMS1002
Fig 2: Headlight Beam Level Control - Circuit Diagram (2 Of 3)
G07616447Courtesy of © TOYOTA, LICENSE AGREEMENT TMS1002
Fig 3: Headlight Beam Level Control - Circuit Diagram (3 Of 3)
G07616448Courtesy of © TOYOTA, LICENSE AGREEMENT TMS1002