lemon-mirror:
Home >> Toyota >> 2008 >> Avalon XLS >> Repair and Diagnosis >> Electrical >> Body Electrical >> OEM System Circuits >> Light Auto Turn Off System >> Notes

Light Auto Turn Off System: Notes

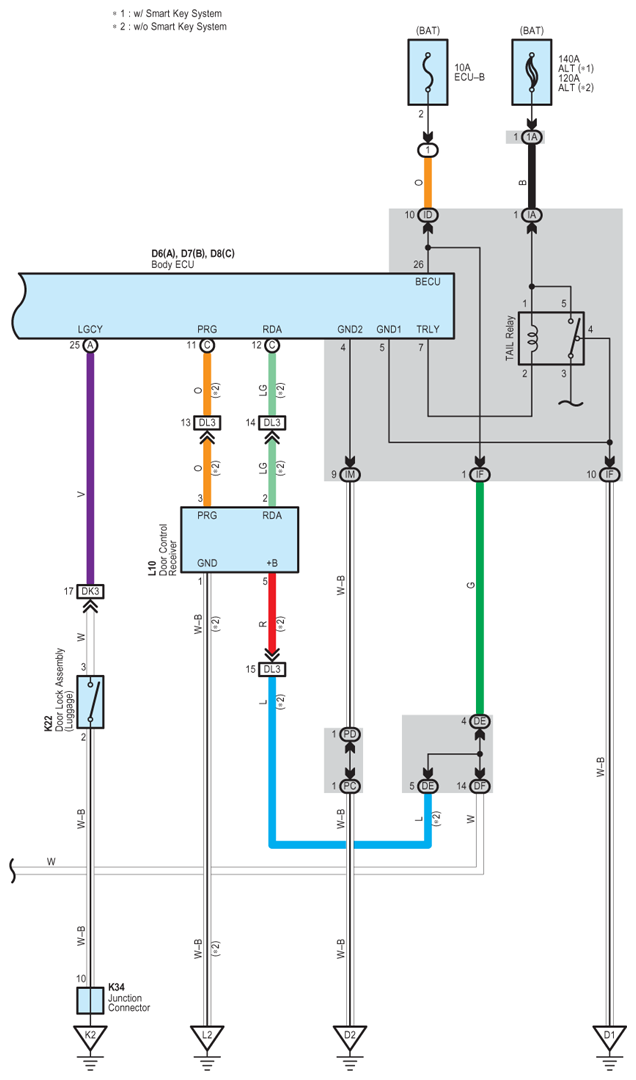
Fig 1: Light Auto Turn Off System - Circuit Diagram (1 Of 4)
G07616442Courtesy of © TOYOTA, LICENSE AGREEMENT TMS1002
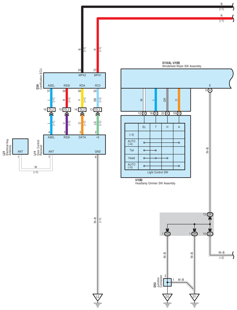
Fig 2: Light Auto Turn Off System - Circuit Diagram (2 Of 4)
G07616443Courtesy of © TOYOTA, LICENSE AGREEMENT TMS1002
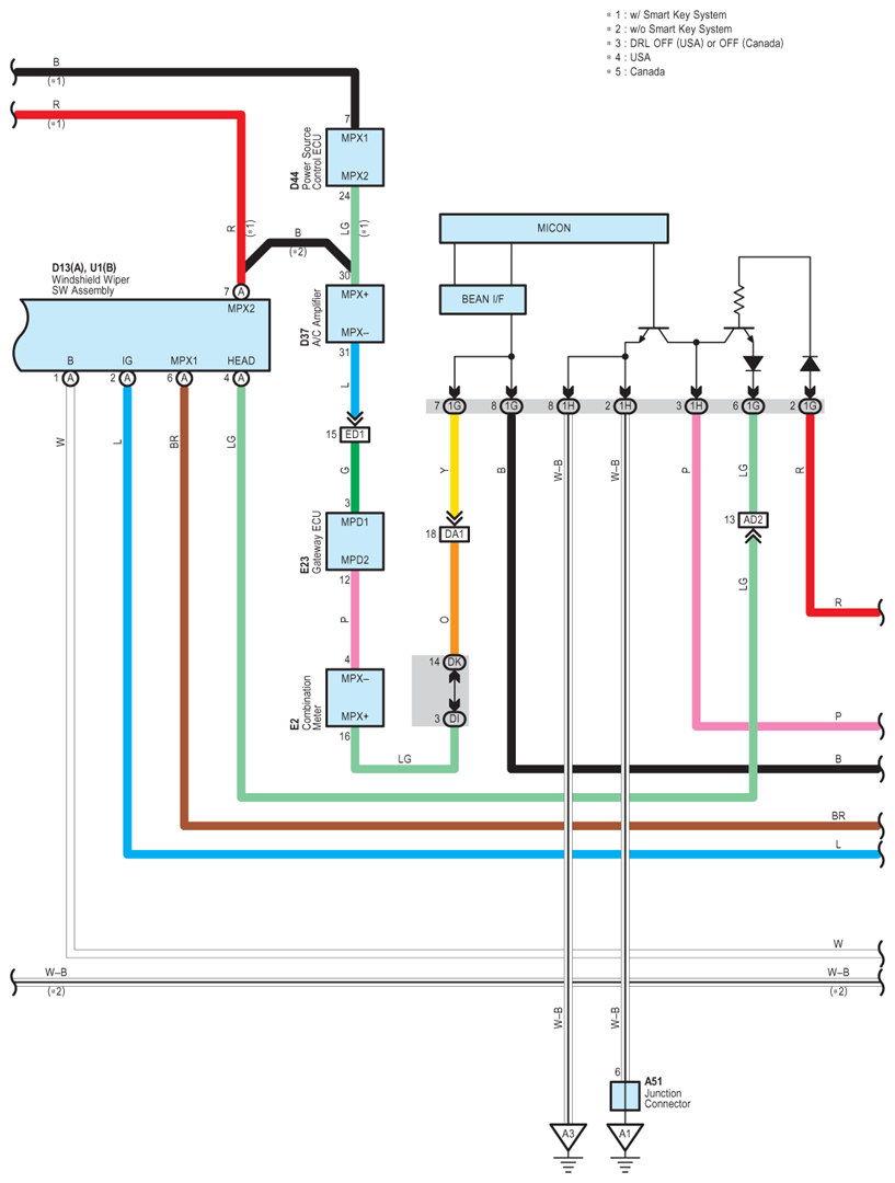
Fig 3: Light Auto Turn Off System - Circuit Diagram (3 Of 4)
G07616444Courtesy of © TOYOTA, LICENSE AGREEMENT TMS1002
Fig 4: Light Auto Turn Off System - Circuit Diagram (4 Of 4)
G07616445Courtesy of © TOYOTA, LICENSE AGREEMENT TMS1002