lemon-mirror:
Home >> Toyota >> 2008 >> Avalon XLS >> Repair and Diagnosis >> Electrical >> Body Electrical >> OEM System Circuits >> Multi Display System without Navigation System >> Notes

Multi Display System without Navigation System: Notes

Fig 1: Multi Display Without Navigation System - Circuit Diagram (1 Of 3)
G07616612Courtesy of © TOYOTA, LICENSE AGREEMENT TMS1002
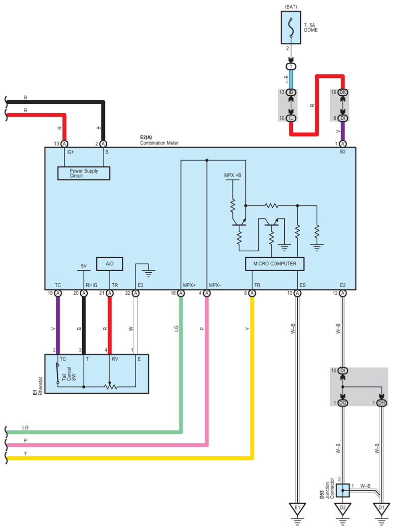
Fig 2: Multi Display Without Navigation System - Circuit Diagram (2 Of 3)
G07616613Courtesy of © TOYOTA, LICENSE AGREEMENT TMS1002
Fig 3: Multi Display Without Navigation System - Circuit Diagram (3 Of 3)
G07616614Courtesy of © TOYOTA, LICENSE AGREEMENT TMS1002