lemon-mirror:
Home >> Toyota >> 2008 >> Avalon XLS >> Repair and Diagnosis >> Electrical >> Body Electrical >> OEM System Circuits >> Multiplex Communication System - AVC-LAN >> Notes

Multiplex Communication System - AVC-LAN: Notes

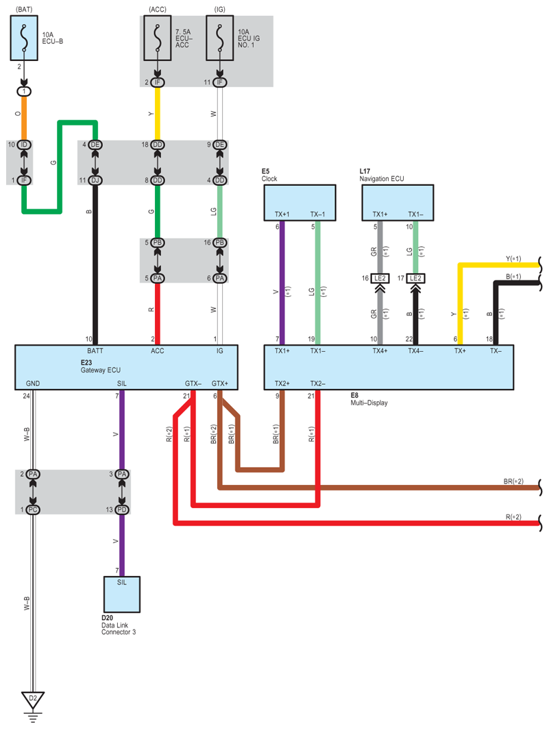
Fig 1: Multiplex Communication System - AVC-LAN - Circuit Diagram (1 Of 2)
G07616437Courtesy of © TOYOTA, LICENSE AGREEMENT TMS1002
Fig 2: Multiplex Communication System - AVC-LAN - Circuit Diagram (2 Of 2)
G07616438Courtesy of © TOYOTA, LICENSE AGREEMENT TMS1002