lemon-mirror:
Home >> Toyota >> 2008 >> Avalon XLS >> Repair and Diagnosis >> Electrical >> Body Electrical >> OEM System Circuits >> Rear Sunshade System >> Notes

Rear Sunshade System: Notes

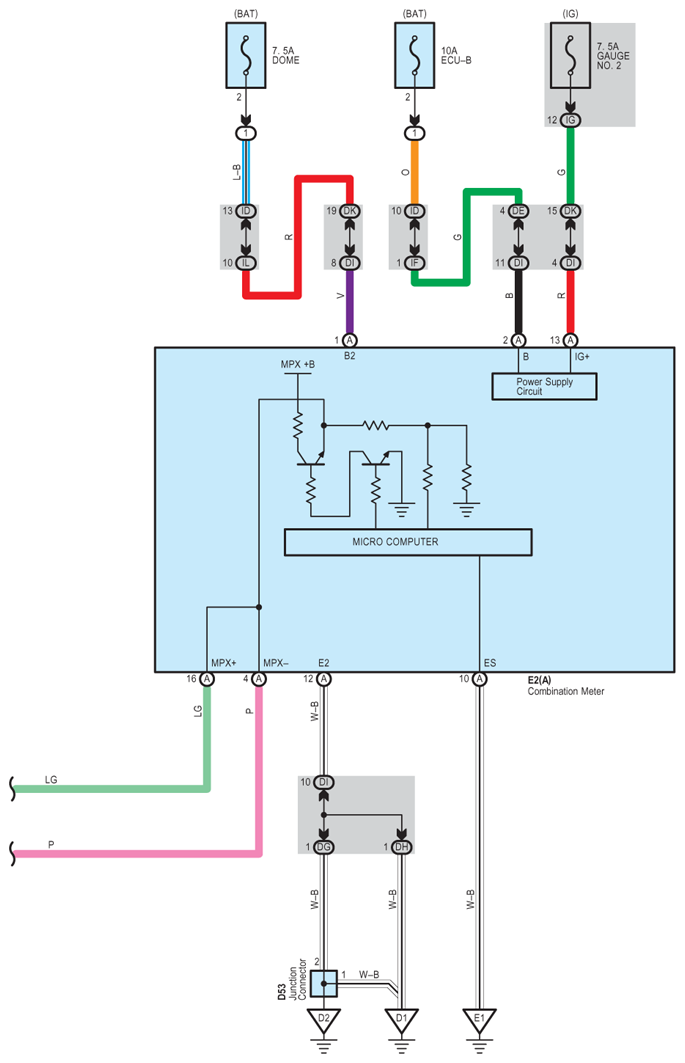
Fig 1: Rear Sunshade - Circuit Diagram (1 Of 3)
G07616601Courtesy of © TOYOTA, LICENSE AGREEMENT TMS1002
Fig 2: Rear Sunshade - Circuit Diagram (2 Of 3)
G07616602Courtesy of © TOYOTA, LICENSE AGREEMENT TMS1002
Fig 3: Rear Sunshade - Circuit Diagram (3 Of 3)
G07616603Courtesy of © TOYOTA, LICENSE AGREEMENT TMS1002