lemon-mirror:
Home >> Toyota >> 2008 >> Avalon XLS >> Repair and Diagnosis >> Electrical >> Body Electrical >> OEM System Circuits >> Remote Control System Mirror with Memory >> Notes

Remote Control System Mirror with Memory: Notes

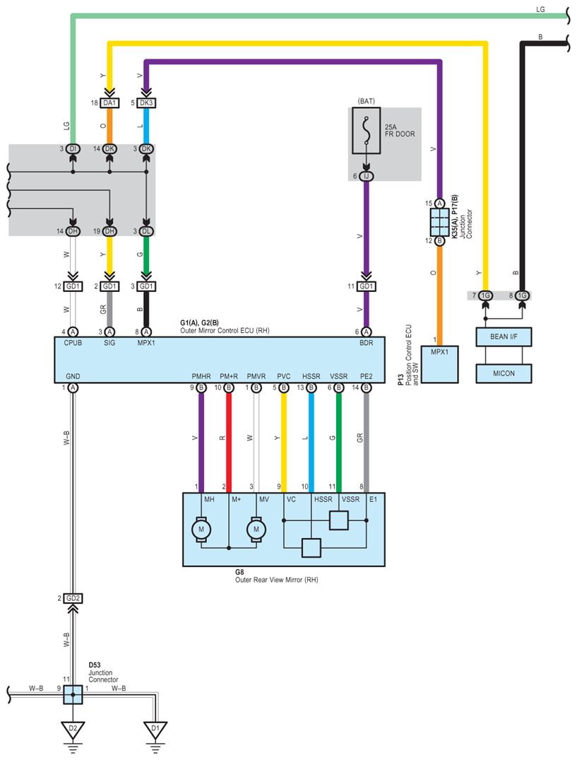
Fig 1: Remote Control Mirror With Memory - Circuit Diagram (1 Of 4)
G07616594Courtesy of © TOYOTA, LICENSE AGREEMENT TMS1002
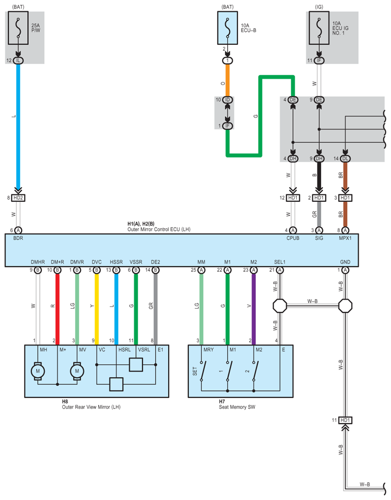
Fig 2: Remote Control Mirror With Memory - Circuit Diagram (2 Of 4)
G07616595Courtesy of © TOYOTA, LICENSE AGREEMENT TMS1002
Fig 3: Remote Control Mirror With Memory - Circuit Diagram (3 Of 4)
G07616596Courtesy of © TOYOTA, LICENSE AGREEMENT TMS1002
Fig 4: Remote Control Mirror With Memory - Circuit Diagram (4 Of 4)
G07616597Courtesy of © TOYOTA, LICENSE AGREEMENT TMS1002