lemon-mirror:
Home >> Toyota >> 2008 >> Avalon XLS >> Repair and Diagnosis >> Electrical >> Body Electrical >> OEM System Circuits >> Remote Control System Mirror without Memory >> Notes

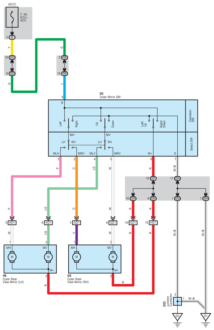
Remote Control System Mirror without Memory: Notes

Fig 1: Remote Control Mirror Without Memory - Circuit Diagram
G07616598Courtesy of © TOYOTA, LICENSE AGREEMENT TMS1002