lemon-mirror:
Home >> Toyota >> 2008 >> Avalon XLS >> Repair and Diagnosis >> Electrical >> Body Electrical >> OEM System Circuits >> Shift Lock System >> Notes

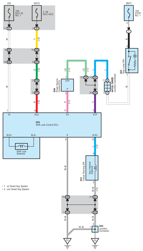
Shift Lock System: Notes

Fig 1: Shift Lock - Circuit Diagram
G07616576Courtesy of © TOYOTA, LICENSE AGREEMENT TMS1002