lemon-mirror:
Home >> Toyota >> 2008 >> Avalon XLS >> Repair and Diagnosis >> Electrical >> Body Electrical >> OEM System Circuits >> Taillight System >> Notes

Taillight System: Notes

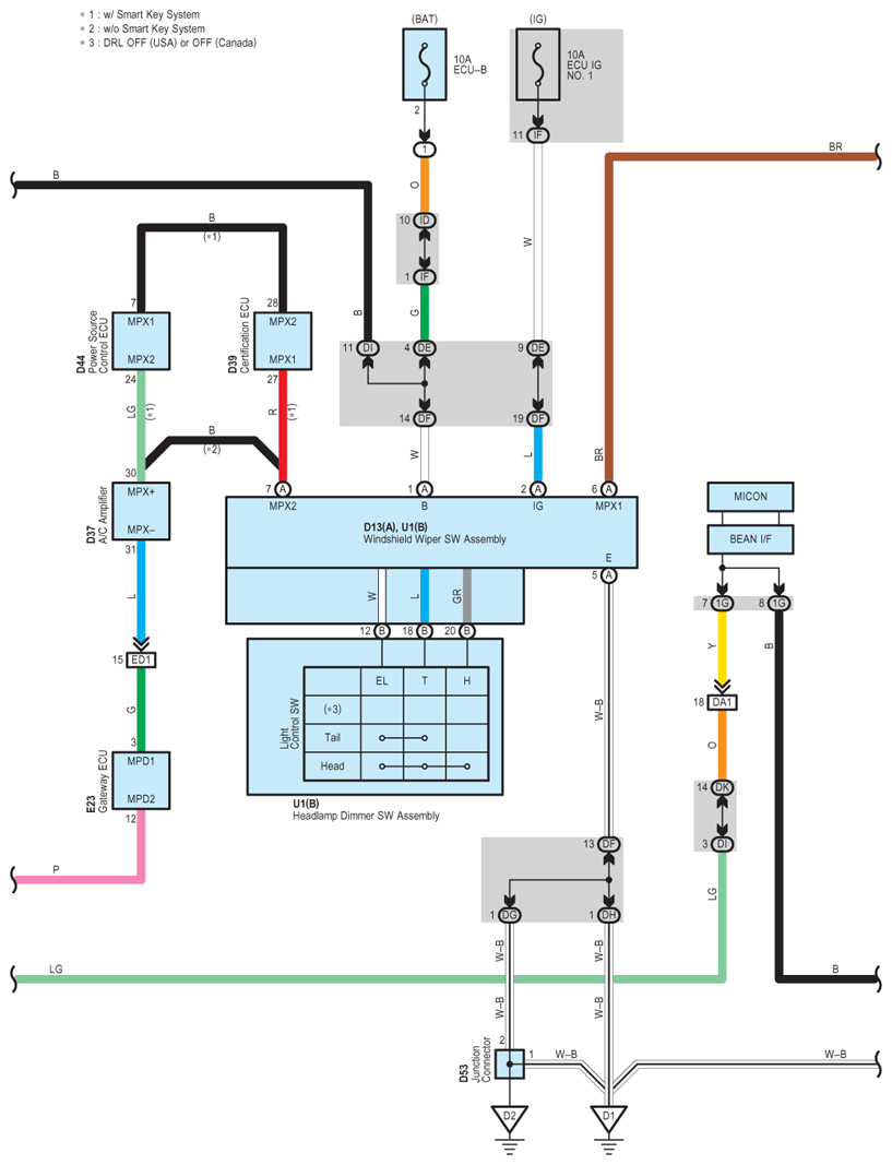
Fig 1: Taillight - Circuit Diagram (1 Of 4)
G07616464Courtesy of © TOYOTA, LICENSE AGREEMENT TMS1002
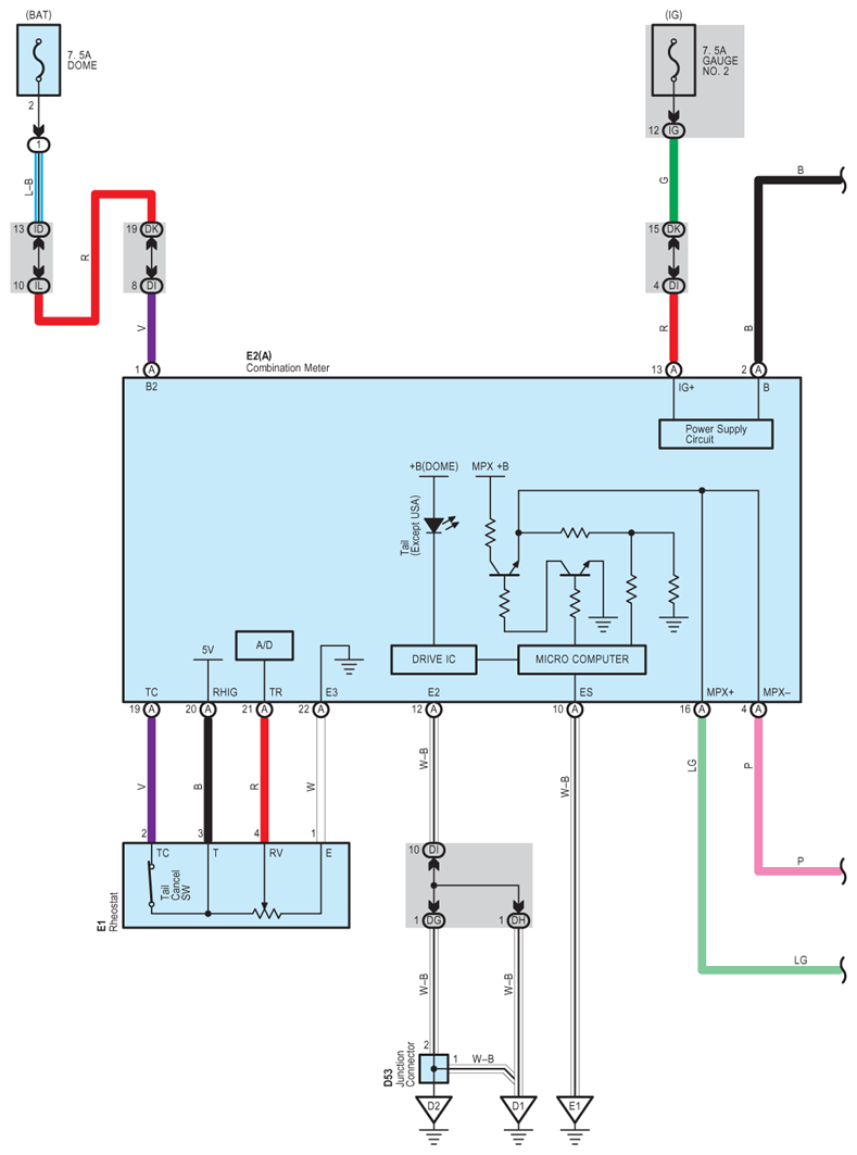
Fig 2: Taillight - Circuit Diagram (2 Of 4)
G07616465Courtesy of © TOYOTA, LICENSE AGREEMENT TMS1002
Fig 3: Taillight - Circuit Diagram (3 Of 4)
G07616466Courtesy of © TOYOTA, LICENSE AGREEMENT TMS1002
Fig 4: Taillight - Circuit Diagram (4 Of 4)
G07616467Courtesy of © TOYOTA, LICENSE AGREEMENT TMS1002