lemon-mirror:
Home >> Toyota >> 2008 >> Camry Base, Automatic >> Repair and Diagnosis >> Engine Performance >> Ignition System >> Engine Ignition System (2AZ-FE) >> Ignition Coil >> Components

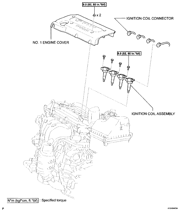
Ignition Coil: Components

Fig 1: Ignition Coil Replacement Components With Torque Specifications
G04975481Courtesy of © TOYOTA, LICENSE AGREEMENT TMS1002