lemon-mirror:
Home >> Toyota >> 2008 >> Corolla CE, Automatic >> Repair and Diagnosis >> Electrical >> Body Electrical >> OEM System Circuits >> ABS System without VSC >> Notes

ABS System without VSC: Notes

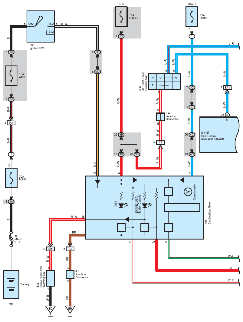
Fig 1: ABS Without VSC - Circuit Diagram (1 Of 2)
G07604108Courtesy of © TOYOTA, LICENSE AGREEMENT TMS1002
Fig 2: ABS Without VSC - Circuit Diagram (2 Of 2)
G07604109Courtesy of © TOYOTA, LICENSE AGREEMENT TMS1002