lemon-mirror:
Home >> Toyota >> 2008 >> Corolla CE, Automatic >> Repair and Diagnosis >> Electrical >> Body Electrical >> OEM System Circuits >> Air Conditioning System >> Notes

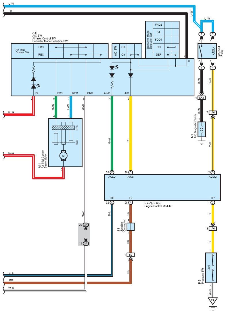
Air Conditioning System: Notes

Fig 1: Air Conditioning - Circuit Diagram (1 Of 2)
G07604131Courtesy of © TOYOTA, LICENSE AGREEMENT TMS1002
Fig 2: Air Conditioning - Circuit Diagram (2 Of 2)
G07604132Courtesy of © TOYOTA, LICENSE AGREEMENT TMS1002