lemon-mirror:
Home >> Toyota >> 2008 >> Corolla CE, Automatic >> Repair and Diagnosis >> Electrical >> Body Electrical >> OEM System Circuits >> Back-Up Light System >> Notes

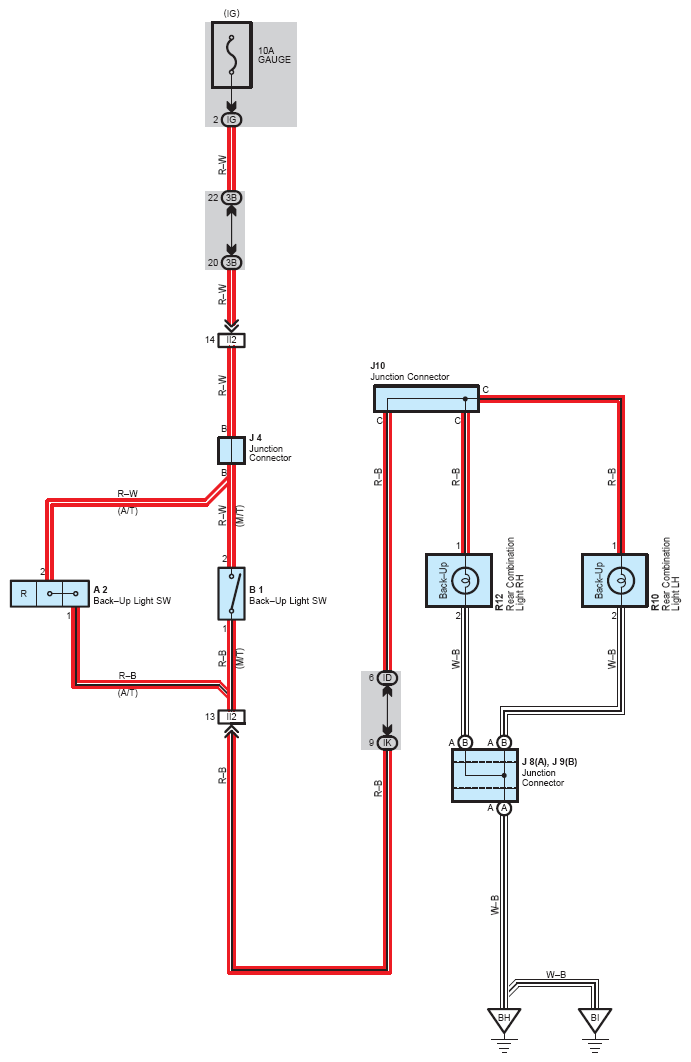
Back-Up Light System: Notes

Fig 1: Back-Up Light - Circuit Diagram
G07604072Courtesy of © TOYOTA, LICENSE AGREEMENT TMS1002