lemon-mirror:
Home >> Toyota >> 2008 >> Corolla CE, Automatic >> Repair and Diagnosis >> Electrical >> Body Electrical >> OEM System Circuits >> Cruise Control System >> Notes

Cruise Control System: Notes

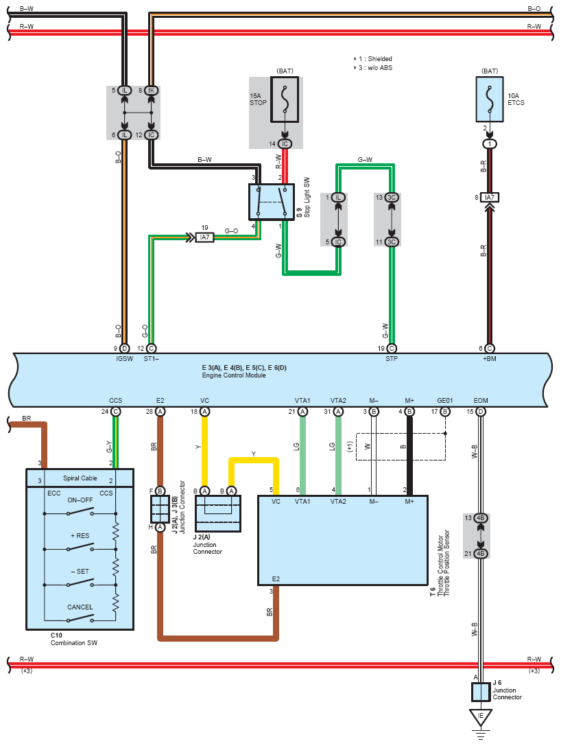
Fig 1: Cruise Control - Circuit Diagram (1 Of 4)
G07604099Courtesy of © TOYOTA, LICENSE AGREEMENT TMS1002
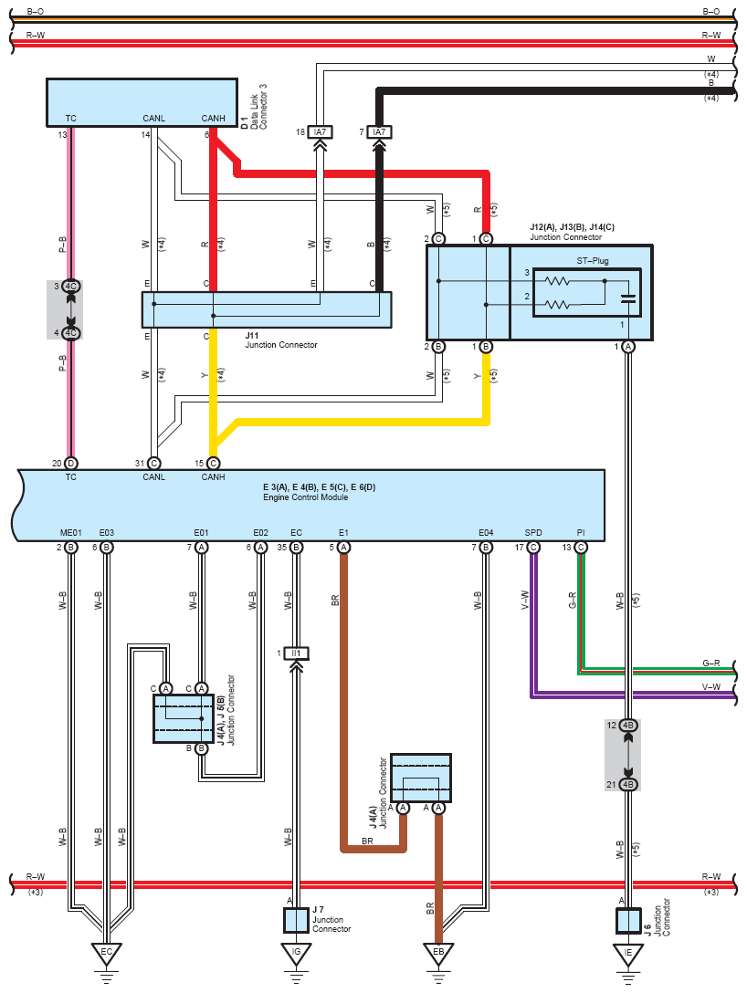
Fig 2: Cruise Control - Circuit Diagram (2 Of 4)
G07604100Courtesy of © TOYOTA, LICENSE AGREEMENT TMS1002
Fig 3: Cruise Control - Circuit Diagram (3 Of 4)
G07604101Courtesy of © TOYOTA, LICENSE AGREEMENT TMS1002
Fig 4: Cruise Control - Circuit Diagram (4 Of 4)
G07604102Courtesy of © TOYOTA, LICENSE AGREEMENT TMS1002