lemon-mirror:
Home >> Toyota >> 2008 >> Corolla CE, Automatic >> Repair and Diagnosis >> Electrical >> Body Electrical >> OEM System Circuits >> ECT System >> Notes

ECT System: Notes

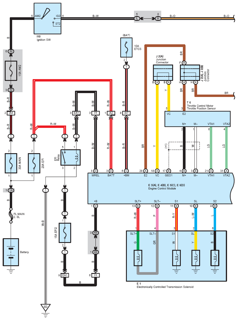
Fig 1: ECT - Circuit Diagram (1 Of 4)
G07604095Courtesy of © TOYOTA, LICENSE AGREEMENT TMS1002
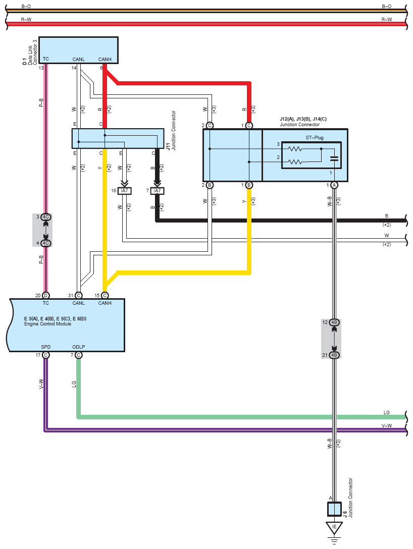
Fig 2: ECT - Circuit Diagram (2 Of 4)
G07604096Courtesy of © TOYOTA, LICENSE AGREEMENT TMS1002
Fig 3: ECT - Circuit Diagram (3 Of 4)
G07604097Courtesy of © TOYOTA, LICENSE AGREEMENT TMS1002
Fig 4: ECT - Circuit Diagram (4 Of 4)
G07604098Courtesy of © TOYOTA, LICENSE AGREEMENT TMS1002