lemon-mirror:
Home >> Toyota >> 2008 >> Corolla CE, Automatic >> Repair and Diagnosis >> Electrical >> Body Electrical >> OEM System Circuits >> Engine Immobiliser System >> Notes

Engine Immobiliser System: Notes

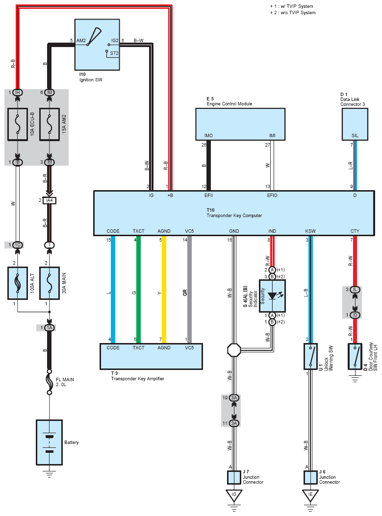
Fig 1: Engine Immobiliser System - Circuit Diagram
G07604058Courtesy of © TOYOTA, LICENSE AGREEMENT TMS1002