lemon-mirror:
Home >> Toyota >> 2008 >> Corolla CE, Automatic >> Repair and Diagnosis >> Electrical >> Body Electrical >> OEM System Circuits >> Fog Light System >> Notes

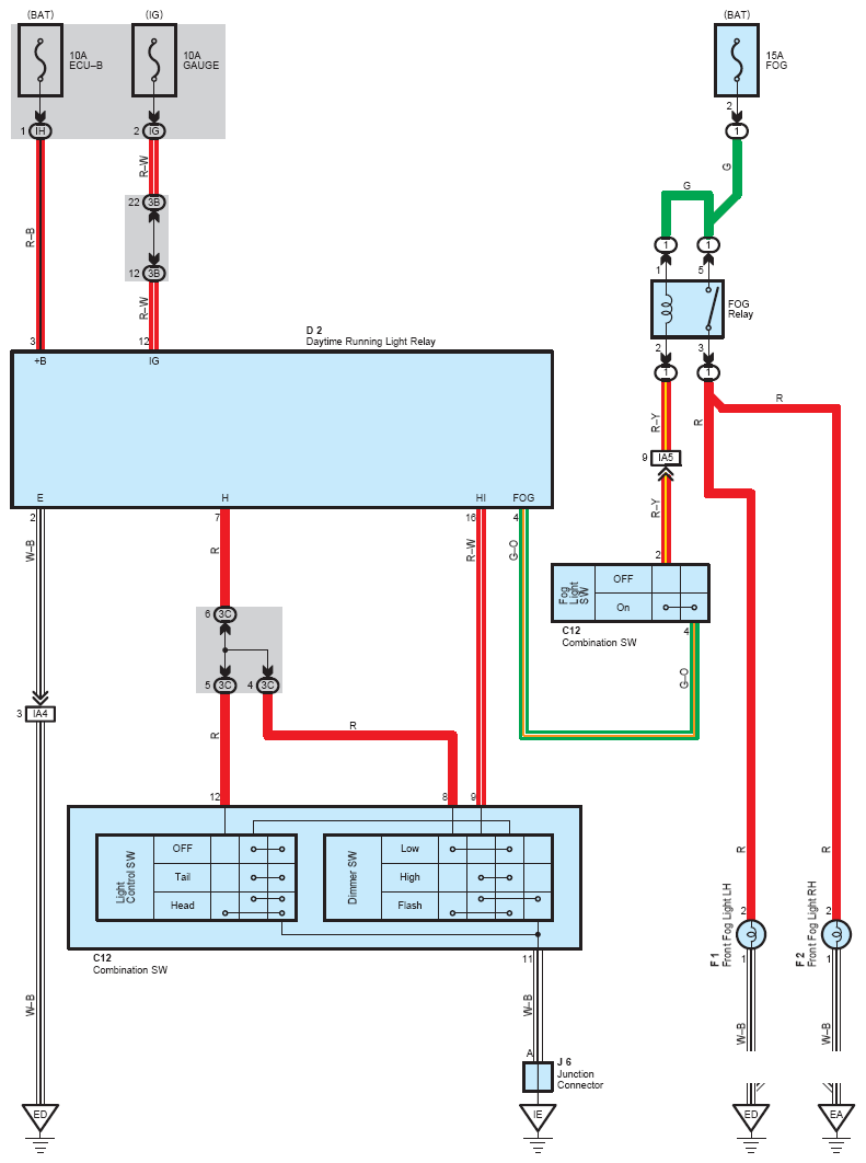
Fog Light System: Notes

Fig 1: Fog Light - Circuit Diagram
G07604062Courtesy of © TOYOTA, LICENSE AGREEMENT TMS1002