lemon-mirror:
Home >> Toyota >> 2008 >> Corolla CE, Automatic >> Repair and Diagnosis >> Electrical >> Body Electrical >> OEM System Circuits >> Horn System >> Notes

Horn System: Notes

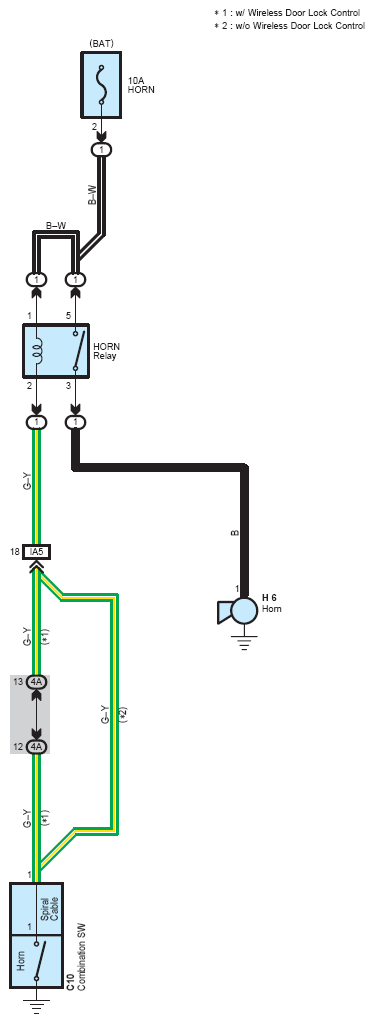
Fig 1: Horn - Circuit Diagram
G07604074Courtesy of © TOYOTA, LICENSE AGREEMENT TMS1002