lemon-mirror:
Home >> Toyota >> 2008 >> Corolla CE, Automatic >> Repair and Diagnosis >> Electrical >> Body Electrical >> OEM System Circuits >> Multiplex Communication System - CAN >> Notes

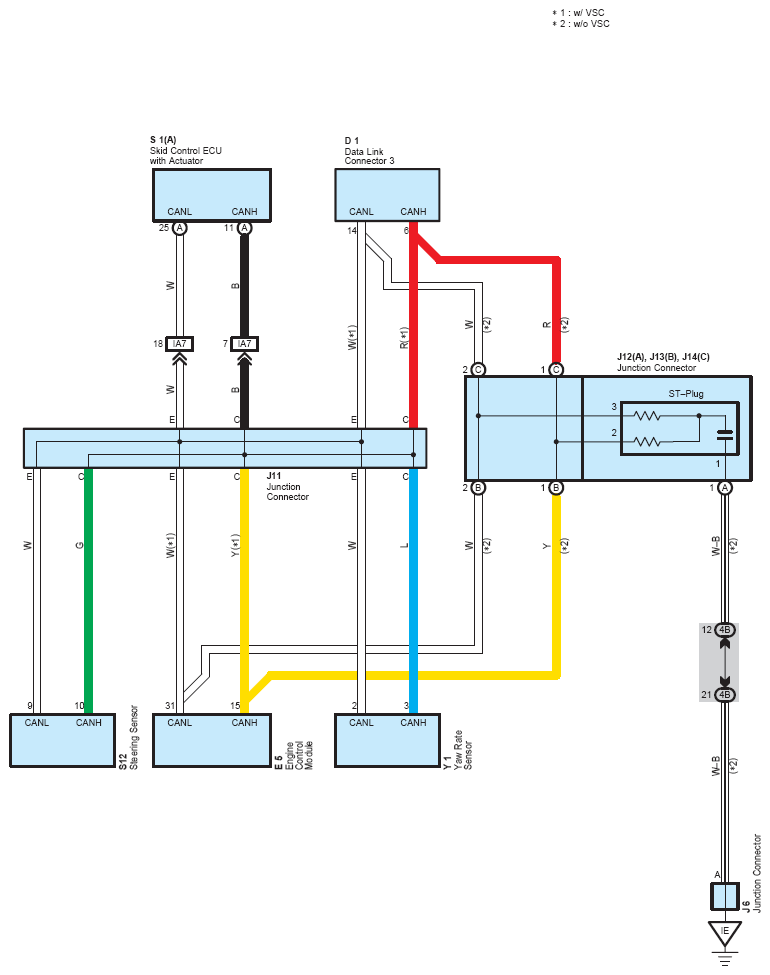
Multiplex Communication System - CAN: Notes

Fig 1: Multiplex Communication System (CAN) - Circuit Diagram
G07604107Courtesy of © TOYOTA, LICENSE AGREEMENT TMS1002