lemon-mirror:
Home >> Toyota >> 2008 >> Corolla CE, Automatic >> Repair and Diagnosis >> Electrical >> Body Electrical >> OEM System Circuits >> Power Window System >> Notes

Power Window System: Notes

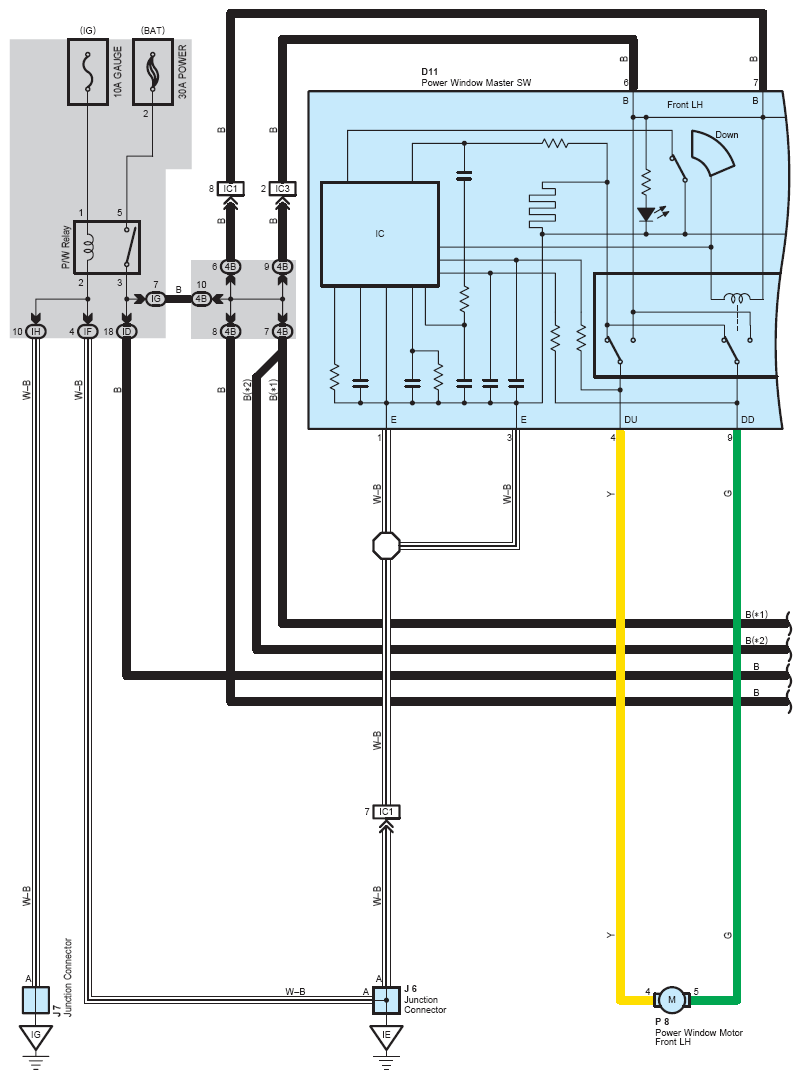
Fig 1: Power Window - Circuit Diagram (1 Of 2)
G07604080Courtesy of © TOYOTA, LICENSE AGREEMENT TMS1002
Fig 2: Power Window - Circuit Diagram (2 Of 2)
G07604081Courtesy of © TOYOTA, LICENSE AGREEMENT TMS1002