lemon-mirror:
Home >> Toyota >> 2008 >> Corolla CE, Automatic >> Repair and Diagnosis >> Electrical >> Body Electrical >> OEM System Circuits >> Radiator Fan System >> Notes

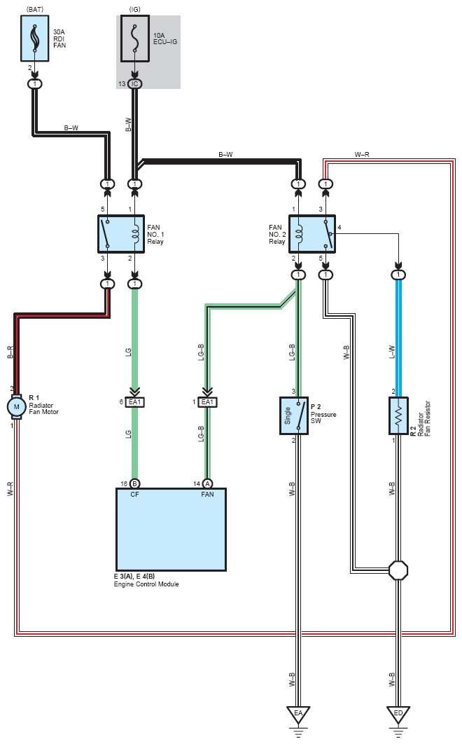
Radiator Fan System: Notes

Fig 1: Radiator Fan - Circuit Diagram
G07604130Courtesy of © TOYOTA, LICENSE AGREEMENT TMS1002