lemon-mirror:
Home >> Toyota >> 2008 >> Corolla CE, Automatic >> Repair and Diagnosis >> Electrical >> Body Electrical >> OEM System Circuits >> Rear Window Defogger System >> Notes

Rear Window Defogger System: Notes

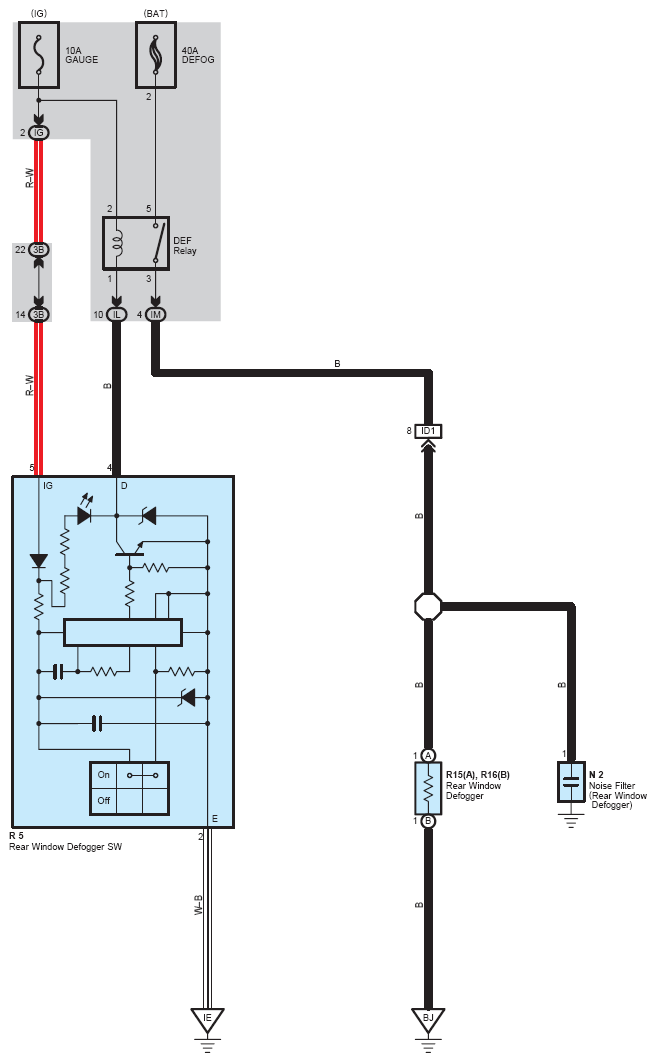
Fig 1: Rear Window Defogger - Circuit Diagram
G07604121Courtesy of © TOYOTA, LICENSE AGREEMENT TMS1002