lemon-mirror:
Home >> Toyota >> 2008 >> Corolla CE, Automatic >> Repair and Diagnosis >> Electrical >> Body Electrical >> OEM System Circuits >> Starting and Ignition System >> Notes

Starting and Ignition System: Notes

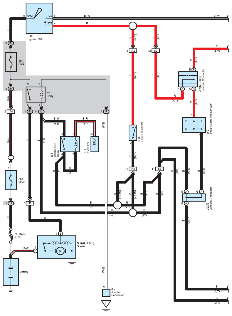
Fig 1: Starting And Ignition - Circuit Diagram (1 Of 2)
G07604047Courtesy of © TOYOTA, LICENSE AGREEMENT TMS1002
Fig 2: Starting And Ignition - Circuit Diagram (2 Of 2)
G07604048Courtesy of © TOYOTA, LICENSE AGREEMENT TMS1002