lemon-mirror:
Home >> Toyota >> 2008 >> Corolla CE, Automatic >> Repair and Diagnosis >> Electrical >> Body Electrical >> OEM System Circuits >> TVIP System >> Notes

TVIP System: Notes

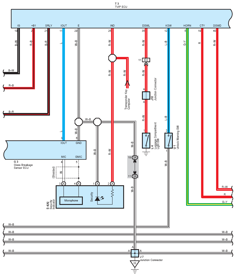
Fig 1: TVIP System - Circuit Diagram (1 Of 4)
G07604090Courtesy of © TOYOTA, LICENSE AGREEMENT TMS1002
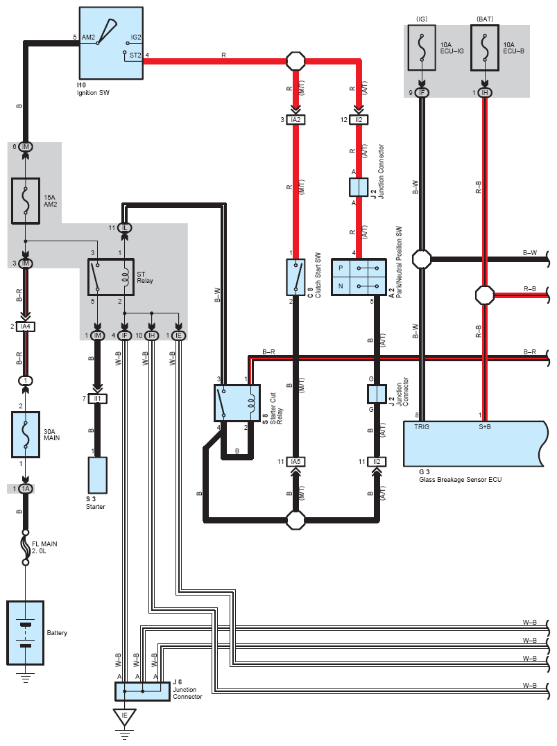
Fig 2: TVIP System - Circuit Diagram (2 Of 4)
G07604091Courtesy of © TOYOTA, LICENSE AGREEMENT TMS1002
Fig 3: TVIP System - Circuit Diagram (3 Of 4)
G07604092Courtesy of © TOYOTA, LICENSE AGREEMENT TMS1002
Fig 4: TVIP System - Circuit Diagram (4 Of 4)
G07604093Courtesy of © TOYOTA, LICENSE AGREEMENT TMS1002