lemon-mirror:
Home >> Toyota >> 2008 >> Corolla CE, Automatic >> Repair and Diagnosis >> Electrical >> Body Electrical >> OEM System Circuits >> Taillight System >> Notes

Taillight System: Notes

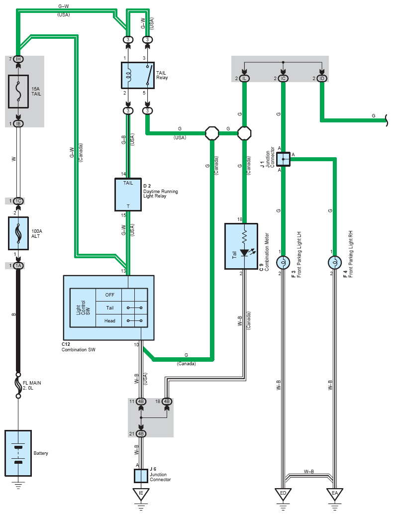
Fig 1: Taillight - Circuit Diagram (1 Of 2)
G07604065Courtesy of © TOYOTA, LICENSE AGREEMENT TMS1002
Fig 2: Taillight - Circuit Diagram (2 Of 2)
G07604066Courtesy of © TOYOTA, LICENSE AGREEMENT TMS1002