lemon-mirror:
Home >> Toyota >> 2008 >> Land Cruiser >> Repair and Diagnosis >> Electrical >> Body Electrical >> OEM System Circuits >> Charging System >> Notes

Charging System: Notes

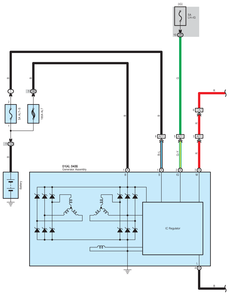
Fig 1: Charging - Circuit Diagram (1 Of 2)
G07600132Courtesy of © TOYOTA, LICENSE AGREEMENT TMS1002
Fig 2: Charging - Circuit Diagram (2 Of 2)
G07600133Courtesy of © TOYOTA, LICENSE AGREEMENT TMS1002