lemon-mirror:
Home >> Toyota >> 2008 >> Land Cruiser >> Repair and Diagnosis >> Electrical >> Body Electrical >> OEM System Circuits >> Door Lock Control System >> Notes

Door Lock Control System: Notes

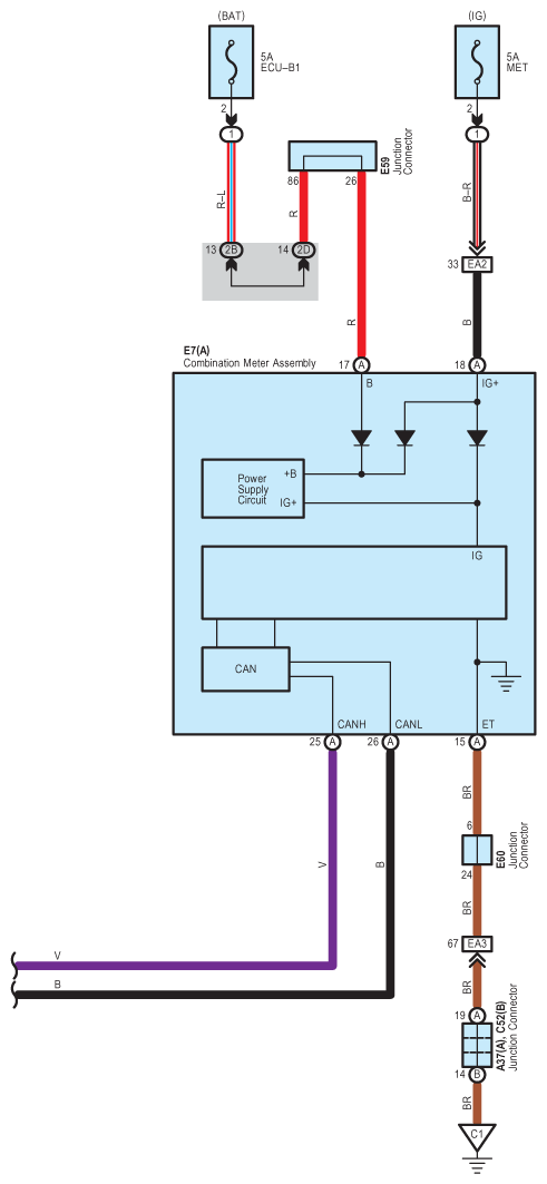
Fig 1: Door Lock Control - Circuit Diagram (1 Of 8)
G07600198Courtesy of © TOYOTA, LICENSE AGREEMENT TMS1002
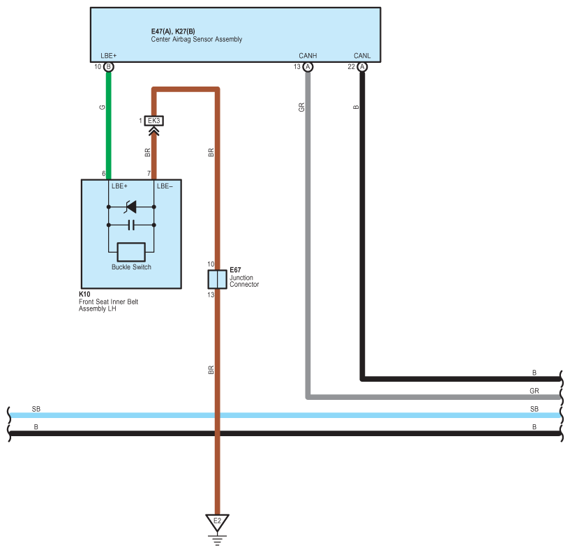
Fig 2: Door Lock Control - Circuit Diagram (2 Of 8)
G07600199Courtesy of © TOYOTA, LICENSE AGREEMENT TMS1002
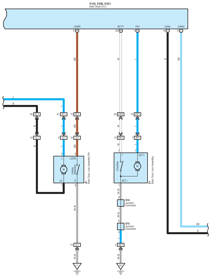
Fig 3: Door Lock Control - Circuit Diagram (3 Of 8)
G07600200Courtesy of © TOYOTA, LICENSE AGREEMENT TMS1002
Fig 4: Door Lock Control - Circuit Diagram (4 Of 8)
G07600201Courtesy of © TOYOTA, LICENSE AGREEMENT TMS1002
Fig 5: Door Lock Control - Circuit Diagram (5 Of 8)
G07600202Courtesy of © TOYOTA, LICENSE AGREEMENT TMS1002
Fig 6: Door Lock Control - Circuit Diagram (6 Of 8)
G07600203Courtesy of © TOYOTA, LICENSE AGREEMENT TMS1002
Fig 7: Door Lock Control - Circuit Diagram (7 Of 8)
G07600204Courtesy of © TOYOTA, LICENSE AGREEMENT TMS1002
Fig 8: Door Lock Control - Circuit Diagram (8 Of 8)
G07600205Courtesy of © TOYOTA, LICENSE AGREEMENT TMS1002