lemon-mirror:
Home >> Toyota >> 2008 >> Land Cruiser >> Repair and Diagnosis >> Electrical >> Body Electrical >> OEM System Circuits >> Ignition System >> Notes

Ignition System: Notes

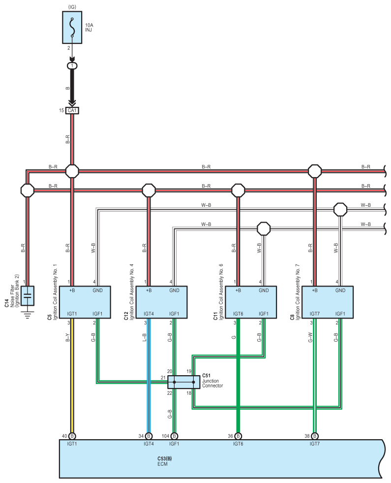
Fig 1: Ignition - Circuit Diagram (1 Of 2)
G07600134Courtesy of © TOYOTA, LICENSE AGREEMENT TMS1002
Fig 2: Ignition - Circuit Diagram (2 Of 2)
G07600135Courtesy of © TOYOTA, LICENSE AGREEMENT TMS1002