lemon-mirror:
Home >> Toyota >> 2008 >> Land Cruiser >> Repair and Diagnosis >> Electrical >> Body Electrical >> OEM System Circuits >> Remote Control Mirror System >> Notes

Remote Control Mirror System: Notes

Fig 1: Remote Control Mirror - Circuit Diagram (1 Of 5)
G07600274Courtesy of © TOYOTA, LICENSE AGREEMENT TMS1002
Fig 2: Remote Control Mirror - Circuit Diagram (2 Of 5)
G07600275Courtesy of © TOYOTA, LICENSE AGREEMENT TMS1002
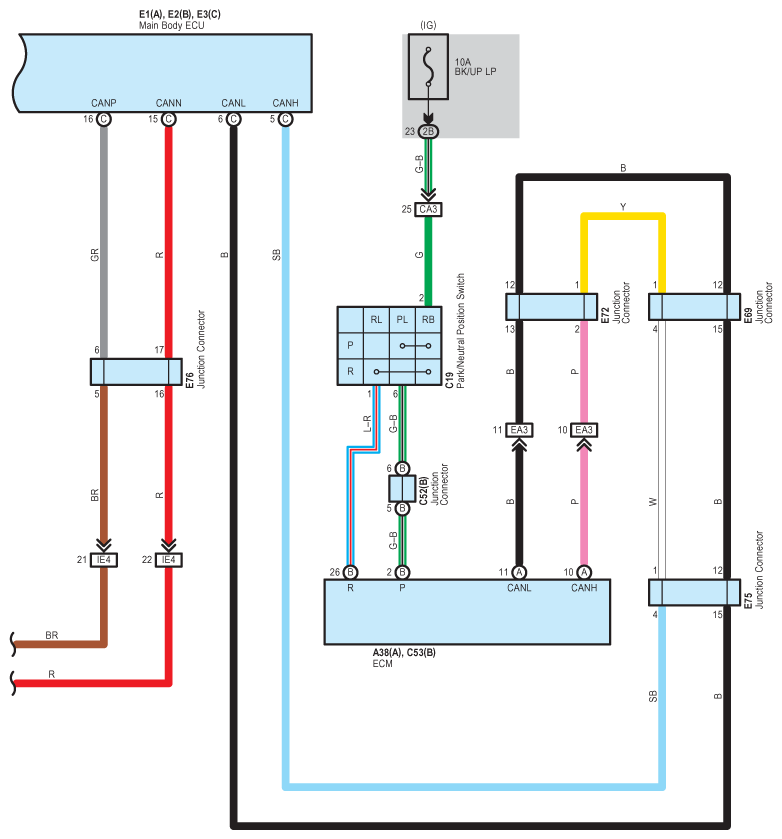
Fig 3: Remote Control Mirror - Circuit Diagram (3 Of 5)
G07600276Courtesy of © TOYOTA, LICENSE AGREEMENT TMS1002
Fig 4: Remote Control Mirror - Circuit Diagram (4 Of 5)
G07600277Courtesy of © TOYOTA, LICENSE AGREEMENT TMS1002
Fig 5: Remote Control Mirror - Circuit Diagram (5 Of 5)
G07600278Courtesy of © TOYOTA, LICENSE AGREEMENT TMS1002