lemon-mirror:
Home >> Toyota >> 2008 >> Matrix Base, Automatic >> Repair and Diagnosis >> Electrical >> Body Electrical >> OEM System Circuits >> Air Conditioning System >> Notes

Air Conditioning System: Notes

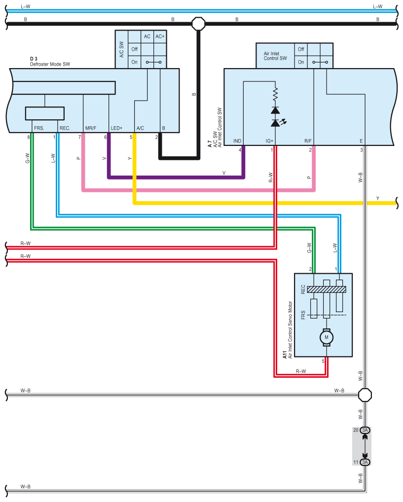
Fig 1: Air Conditioning - Circuit Diagram (1 Of 3)
G07599234Courtesy of © TOYOTA, LICENSE AGREEMENT TMS1002
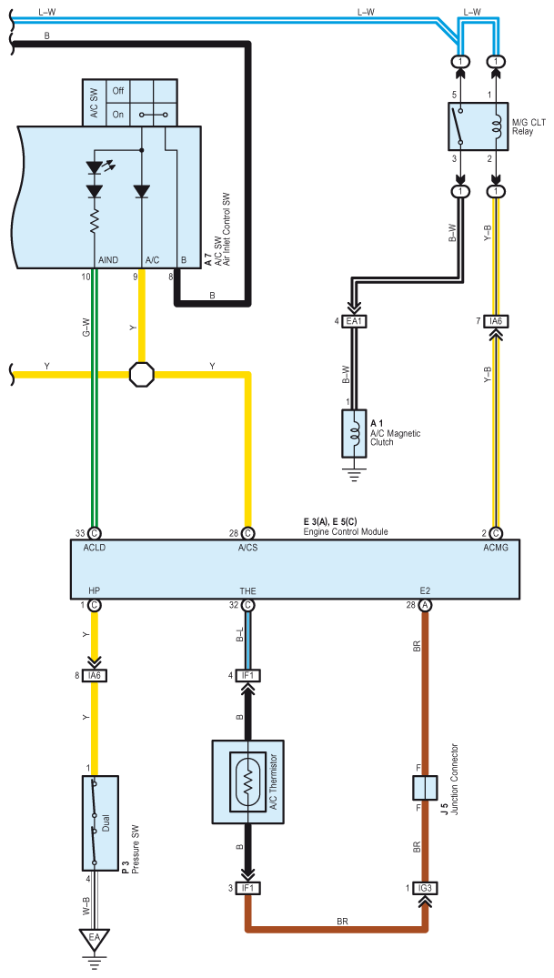
Fig 2: Air Conditioning - Circuit Diagram (2 Of 3)
G07599235Courtesy of © TOYOTA, LICENSE AGREEMENT TMS1002
Fig 3: Air Conditioning - Circuit Diagram (3 Of 3)
G07599236Courtesy of © TOYOTA, LICENSE AGREEMENT TMS1002