lemon-mirror:
Home >> Toyota >> 2008 >> Matrix Base, Automatic >> Repair and Diagnosis >> Electrical >> Body Electrical >> OEM System Circuits >> Electronically Controlled Transmission System >> Notes

Electronically Controlled Transmission System: Notes

Fig 1: Electronically Controlled Transmission - Circuit Diagram (1 Of 4)
G07599195Courtesy of © TOYOTA, LICENSE AGREEMENT TMS1002
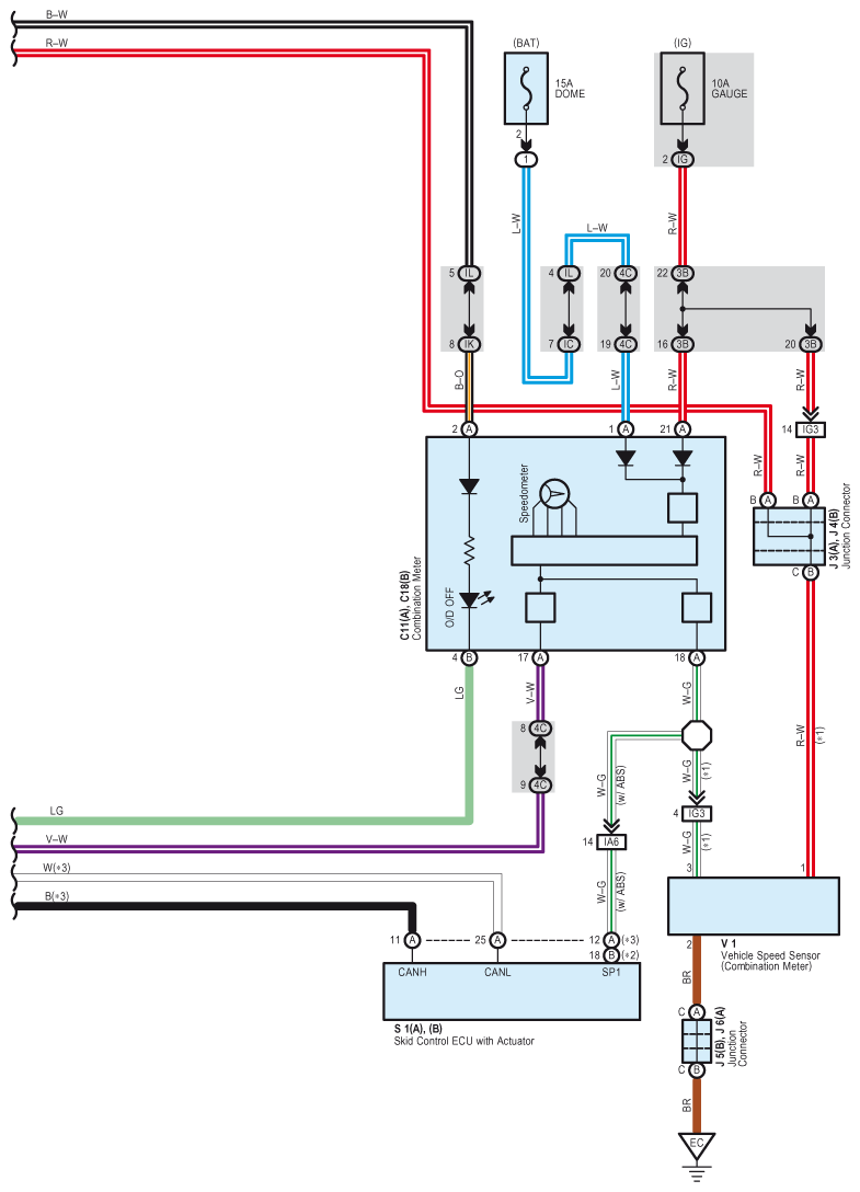
Fig 2: Electronically Controlled Transmission - Circuit Diagram (2 Of 4)
G07599196Courtesy of © TOYOTA, LICENSE AGREEMENT TMS1002
Fig 3: Electronically Controlled Transmission - Circuit Diagram (3 Of 4)
G07599197Courtesy of © TOYOTA, LICENSE AGREEMENT TMS1002
Fig 4: Electronically Controlled Transmission - Circuit Diagram (4 Of 4)
G07599198Courtesy of © TOYOTA, LICENSE AGREEMENT TMS1002