lemon-mirror:
Home >> Toyota >> 2008 >> Matrix Base, Automatic >> Repair and Diagnosis >> Electrical >> Body Electrical >> OEM System Circuits >> Engine Immobiliser System >> Notes

Engine Immobiliser System: Notes

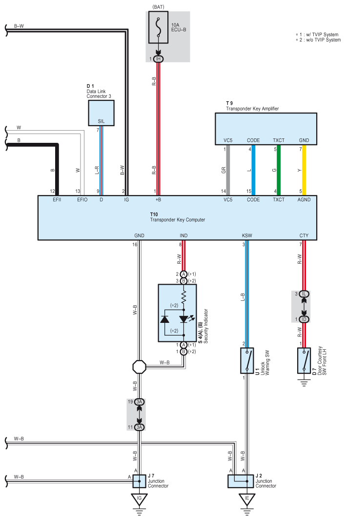
Fig 1: Engine Immobiliser System - Circuit Diagram (1 Of 2)
G07599154Courtesy of © TOYOTA, LICENSE AGREEMENT TMS1002
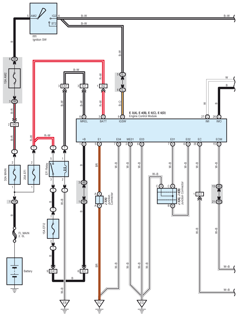
Fig 2: Engine Immobiliser System - Circuit Diagram (2 Of 2)
G07599155Courtesy of © TOYOTA, LICENSE AGREEMENT TMS1002