lemon-mirror:
Home >> Toyota >> 2008 >> Matrix Base, Automatic >> Repair and Diagnosis >> Electrical >> Body Electrical >> OEM System Circuits >> Power Outlet for 115V >> Notes

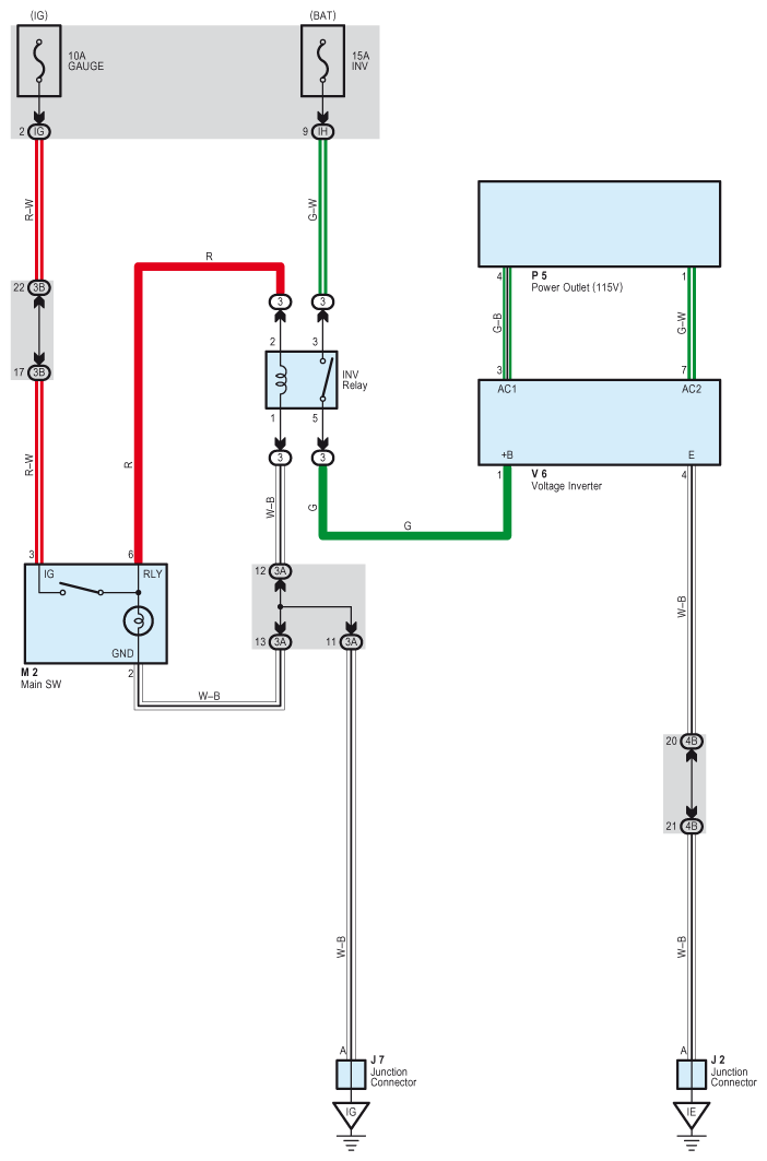
Power Outlet for 115V: Notes

Fig 1: Power Outlet For 115V - Circuit Diagram
G07599176Courtesy of © TOYOTA, LICENSE AGREEMENT TMS1002