lemon-mirror:
Home >> Toyota >> 2008 >> Matrix Base, Automatic >> Repair and Diagnosis >> Electrical >> Body Electrical >> OEM System Circuits >> Remote Control Mirror System >> Notes

Remote Control Mirror System: Notes

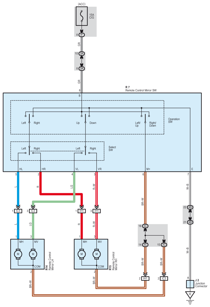
Fig 1: Remote Control Mirror - Circuit Diagram
G07599177Courtesy of © TOYOTA, LICENSE AGREEMENT TMS1002