lemon-mirror:
Home >> Toyota >> 2008 >> Matrix Base, Automatic >> Repair and Diagnosis >> Electrical >> Body Electrical >> OEM System Circuits >> Starting System >> Notes

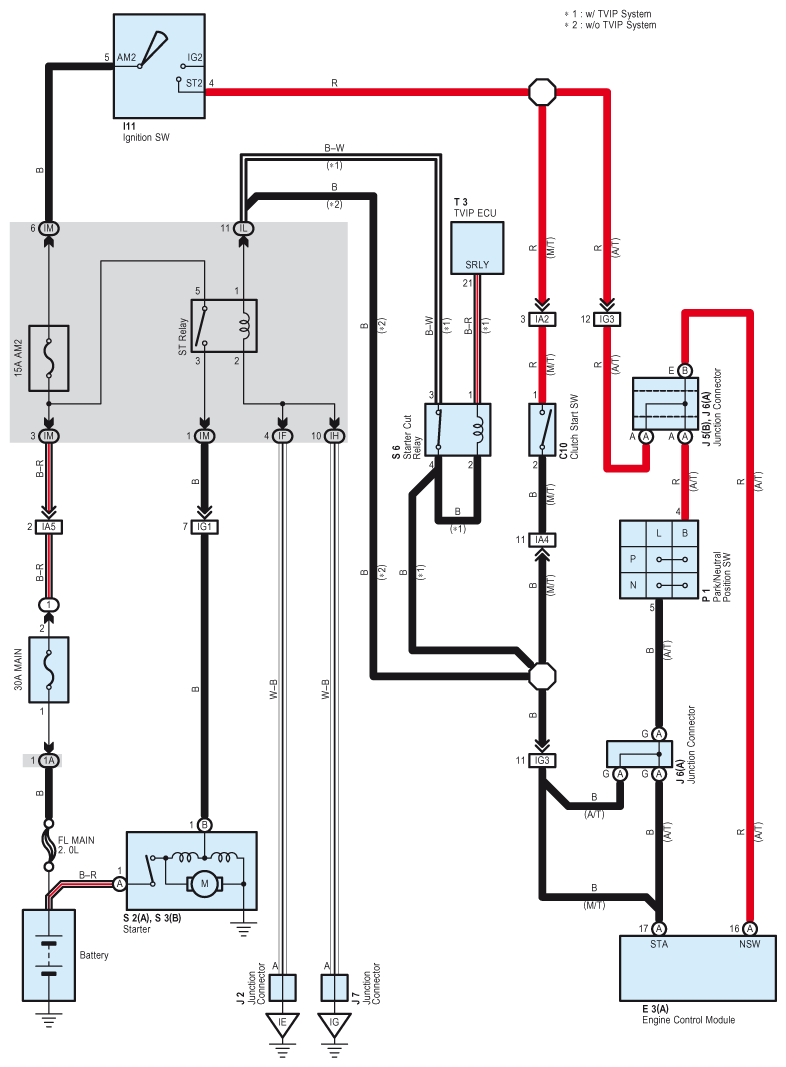
Starting System: Notes

Fig 1: Starting - Circuit Diagram
G07599142Courtesy of © TOYOTA, LICENSE AGREEMENT TMS1002